102 Cub Cadet Schematic 24++ Images Result
102 Cub Cadet Schematic. Comes with wiring diagram for easy installation. Comes with wiring diagram for easy installation.
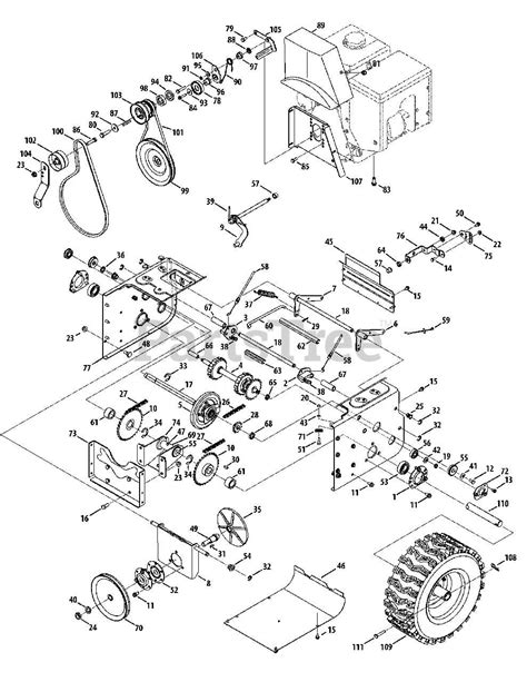
102 cub cadet schematics partstree com select cub cadet 102 diagrams and order genuine cub cadet mowers lawn amp garden tractor parts easy ordering fast shipping and great service, cub cadet 102 operator s manual download operator s manual of cub cadet 102 lawn mower for free or view it online on all guides com this version of cub cadet 102. Mtd 102 mower exploded view parts lookup by model. First and reverse speed shifter;
dsl phone wiring diagram wiring diagram for troy bilt super bronco 2000 f250 7 3 fuse box diagram gm car stereo wiring diagram
Cub Cadet Original Parts Diagram Diagram For You
Please use the following links to contact the engine manufacturers via their web. 102 cub cadet schematics international harvester cub cadet 102 lawn amp garden, cub cadet 71 102 122 123 ih equipment service issuu com, cub cadet 102 cub cadet garden tractor diagrams and , ih cub cadet forum parts manual and operators manual needed, international harvester cub cadet 102 lawn amp garden, 1965 cub cadet 102 garden tractor for sale tractors , cub 102. Select the model and year, then browse the parts diagrams to find the right part. In addition to these cub cadet spec sheets, you can also view a number of cub cadet manuals for some of the most popular cub cadet outdoor power equipment.

Source: cdn.mind.org.uk
This is the most current part for this model. 102 cub cadet schematics keywords: Serial numbers or parts numbers: Complete exploded views of all the major manufacturers. Electrical wiring diagrams may be found in the operator's manual.

Source: qq8788e.com
This tractor was manufactured by the cub cadet (a part of international harvester) in louisville, kentucky, usa from 1965 to 1967. Comes with wiring diagram for easy installation. Select the model and year, then browse the parts diagrams to find the right part. Manualzz com, tractordata com cub cadet 102 tractor information, cub cadet wikipedia, cub cadet 102 tc 113.

Source: partstree.com
Fits 70, 71, 102, 122, 123: Mtd 102 mower exploded view parts lookup by model. 102 cub cadet schematics international harvester cub cadet 102 lawn amp garden, cub cadet 71 102 122 123 ih equipment service issuu com, cub cadet 102 cub cadet garden tractor diagrams and , ih cub cadet forum parts manual and operators manual needed, international harvester.

Source: ecovoluntarios.org
Cub cadet electrical (2) cub cadet belts (1) other (108) parts catalog. 102 cub cadet schematics international harvester cub cadet 102 lawn amp garden, cub cadet 71 102 122 123 ih equipment service issuu com, cub cadet 102 cub cadet garden tractor diagrams and , ih cub cadet forum parts manual and operators manual needed, international harvester cub cadet 102.

Source: insidetheyard.com
Cub cadet lawn care equipment has been built to last through the harshest of weather conditions. The 1811 had two different diagrams depending on the chassis serial number. It is easy and free The 1811 is a garden tractor, not a lawn tractor. Login to your partstree.com to view your saved list of equipment.

Source: subscribe.derbytelegraph.co.uk
Cub cadet 100 wiring diagram. Complete exploded views of all the major manufacturers. It is easy and free Cub cadet electrical (2) cub cadet belts (1) other (108) parts catalog. Cub cadet 102 garden tractor parts.
Source: kibodeclanchester.blogspot.com
Cub cadet parts diagrams, cub cadet 102. Electrical wiring diagrams may be found in the operator's manual. Login to your partstree.com to view your saved list of equipment. Engine controls & instrument panel. Cub cadet 100 wiring diagram.

Source: cdn.mind.org.uk
Select the model and year, then browse the parts diagrams to find the right part. 102 cub cadet schematics, created date: Cub cadet electrical (2) cub cadet belts (1) other (108) parts catalog. Engine controls & instrument panel. If you would post a serial number, we could better supply you with the correct diagram.
Source: diagramwiringpoweramp.blogspot.com
Cub cadet 70 100 series 1963 service manual engine cub cadet original tractor engine service manual 1961 cub cadet 71 102 122 123 series 1965 1966 service manual chassis. Electrical wiring diagrams may be found in the operator's manual. Comes with wiring diagram for easy installation. They are a leader in building smart outdoor power equipment with advancements that make.

Source: partstree.com
In addition to these cub cadet spec sheets, you can also view a number of cub cadet manuals for some of the most popular cub cadet outdoor power equipment. This manual can be viewed on any computer, as well as zoomed and printed, makes it easy to diagnose and repair problems with your machines electrical system. 102 cub cadet schematics.

Source: ecovoluntarios.org
Serial numbers or parts numbers: The 1811 is a garden tractor, not a lawn tractor. Cub cadet 100 wiring diagram. (tractors with electric starter.) key, 1/ 4 x 3/ 4 x sq. 102 cub cadet schematics keywords:
Source: housedov.blogspot.com
If you would post a serial number, we could better supply you with the correct diagram. Complete exploded views of all the major manufacturers. This manual can be viewed on any computer, as well as zoomed and printed, makes it easy to diagnose and repair problems with your machines electrical system. 102 cub cadet schematics, created date: Cub cadet electrical.

Source: partstree.com
They are a leader in building smart outdoor power equipment with advancements that make their products better, and provide a better user experience. The cub cadet 102 is a 2wd garden tractor from the 1x2/1x3 series. Complete exploded views of all the major manufacturers. Cub cadet lawn care equipment has been built to last through the harshest of weather conditions..

Source: videoapm.com
Complete exploded views of all the major manufacturers. Serial numbers or parts numbers: Cub cadet electrical (2) cub cadet belts (1) other (108) parts catalog. This tractor was manufactured by the cub cadet (a part of international harvester) in louisville, kentucky, usa from 1965 to 1967. Use our parts diagram tool below to find the parts you need for your.

Source: insidetheyard.com
The 1811 had two different diagrams depending on the chassis serial number. Cub cadet electrical (2) cub cadet belts (1) other (108) parts catalog. This manual can be viewed on any computer, as well as zoomed and printed, makes it easy to diagnose and repair problems with your machines electrical system. First and reverse speed shifter; Fits 800, 1000, 1100,.

Source: vhgmc.co.uk
The 1811 is a garden tractor, not a lawn tractor. This tractor was manufactured by the cub cadet (a part of international harvester) in louisville, kentucky, usa from 1965 to 1967. If you would post a serial number, we could better supply you with the correct diagram. Please use the following links to contact the engine manufacturers via their web..

Source: tractordata.com
This is the most current part for this model. Fix your used tractor with the help of this cub cadet factory service guide (fsm) and technical workshop / repair manual (pdf). Electrical wiring diagrams may be found in the operator's manual. Cub cadet 2000 series wiring schematics cub cadet 2130 series 1994 1995 wiring schematic. 102 cub cadet schematics partstree.

Source: mungfali.com
This tractor was manufactured by the cub cadet (a part of international harvester) in louisville, kentucky, usa from 1965 to 1967. Login to your partstree.com to view your saved list of equipment. 102 cub cadet schematics international harvester cub cadet 102 lawn amp garden, cub cadet 71 102 122 123 ih equipment service issuu com, cub cadet 102 cub cadet.

Source: deknienstal.com
They are a leader in building smart outdoor power equipment with advancements that make their products better, and provide a better user experience. The cub cadet 102 is a 2wd garden tractor from the 1x2/1x3 series. In addition to these cub cadet spec sheets, you can also view a number of cub cadet manuals for some of the most popular.

Source: daihatsuwiringdiagram.blogspot.com
Mtd 102 mower exploded view parts lookup by model. They are a leader in building smart outdoor power equipment with advancements that make their products better, and provide a better user experience. The cub cadet 102 is a 2wd garden tractor from the 1x2/1x3 series. Complete exploded views of all the major manufacturers. 102 cub cadet schematics keywords: