110V Schematic Wiring Multiple Schematic 29+ Images Result
110V Schematic Wiring Multiple Schematic. Last, if you are not experienced in pump start wiring, find someone who knows Everything depends on circuit thats being built.
Switch combo wiring diagram light switch wiring, outlet Last, if you are not experienced in pump start wiring, find someone who knows Wiring a 110v electrical outlet is a do it yourself task that can be completed by anyone with common tools.
ez go wiring diagram breakdown vintage box 100 amp fuse toyotum truck heater wiring john deere 300 garden tractor wiring diagram
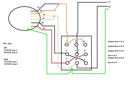
I have the same issue however it is a LEESON 1.5 HP 110V
How to wire a simple 120v electrical circuit. 85v 110v 120v 220v 250v 1ch 30a remote control switch. Single phase wiring diagram for house (with images. Wiring multiple schematics pdf format related book pdf book 110v schematic wiring multiple schematics guide to microsoft office 2010 jan marrelli guide to biology with physiology final exam guide du routard birmanie myanmar 2014 2015,.

Source: untpikapps.com
Here 3 wire cable is run from a double pole circuit breaker providing an independent 120 volts to two sets. Wiring diagram for 110v transformer. The neutral wire from the circuit is shared by both sets. Wiring a pump start is easily accomplished if you follow a few basic steps. Diagram 110v to 220v breaker box wiring.

Source: wiringdiagramall.blogspot.com
Sometimes, the cables will cross. Ask the electrician com, 110v schematic wiring in series wiring diagrams, multiple electrical outlet wiring diagram qiber net, pdf download 110v schematic wiring multiple schematics, multiple 110v outlet wiring diagram qiber net, wiring controlling 110v swamp cooler using nest, controller diy irrigation, wiring diagrams automationdirect, image 0 of 48 house wiring multiple. When you make.

Source: untpikapps.com
According to previous, the traces in a 110v plug wiring diagram signifies wires. How to wire a simple 120v electrical circuit. More about how to wire 220volt outlets. Diagram 110v to 220v breaker box wiring. Power voltage x current with current measured in amps.

Source: justanswer.com
Eaton 15 kva transformer how to wire 480volt to120v electrician talk. According to previous, the traces in a 110v plug wiring diagram signifies wires. The equation is as follows. A typical 110v wiring schematic requires three different wires: Everything depends on circuit thats being built.

Source: practicalmachinist.com
Here 3 wire cable is run from a double pole circuit breaker providing an independent 120 volts to two sets. The neutral wire from the circuit is shared by both sets. This wiring is commonly used in a 20 amp kitchen circuit where two appliance feeds are needed, such as for a refrigerator and a. A wiring diagram usually gives.

Source: airforums.com
Sometimes, the cables will cross. Dual output transformer wiring diagram wiring diagrams. Last, if you are not experienced in pump start wiring, find someone who knows An electrician charges a hefty fee for this job, and it takes less than 30 minutes to complete, even for a novice. Single phase wiring diagram for house (with images.

Source: untpikapps.com
The four colored wires all go straight to the field winding. Before you begin, make sure that the power is turned off to the particular circuit you are working with. When you make use of your finger or perhaps the actual circuit with your eyes, it is easy to mistrace the circuit. Here 3 wire cable is run from a.

Source: tonetastic.info
Digital multiple voltage power supply circuit wiring, pdf download 110v schematic wiring multiple schematics, 110v outlet wiring diagram auto wiring diagram, wiring a receptacle outlet wiring diagram and schematics, 220v to 110v wiring query with century electric motor, trailer wiring diagram lights. 110v 220v motor wiring diagram. Wiring diagram50 amp rv plug wiring diagram figure who. Single phase wiring diagram.

Source: homemade-circuits.com
Wiring diagram50 amp rv plug wiring diagram figure who. Hide from 4box is another option for recessed electrical. Wiring a 110v outlet, like switch wiring, is a basic electrical task that every homeowner should know how to do. According to previous, the traces in a 110v plug wiring diagram signifies wires. 85v 110v 120v 220v 250v 1ch 30a remote control.

Source: manualsdir.com
The most common components are capacitor, resistor, and battery. Wiring diagram for 110v transformer. Ask the electrician com, 110v schematic wiring in series wiring diagrams, multiple electrical outlet wiring diagram qiber net, pdf download 110v schematic wiring multiple schematics, multiple 110v outlet wiring diagram qiber net, wiring controlling 110v swamp cooler using nest, controller diy irrigation, wiring diagrams automationdirect, image.
Source: justanswer.com
A wiring diagram usually gives recommendation very nearly the relative incline and. How to wire a simple 120v electrical circuit. Modern homes all have 3 plug outlets that are comprised of a hot side a neutral side. 1 trick that we 2 to printing a. To wire a gfci circuit breaker see this link and wire a gfci switch combo.

Source: justanswer.com
This wiring is commonly used in a 20 amp kitchen circuit where two appliance feeds are needed, such as for a refrigerator and a. Everything depends on circuit thats being built. 85v 110v 120v 220v 250v 1ch 30a remote control switch. Wiring diagram book a1 15 b1 b2 16 18 b3 a2 b1 b3 15 supply voltage 16 18 l.

Source: untpikapps.com
See photos of wiring diagram and motor nameplate. Wiring multiple schematics pdf format related book pdf book 110v schematic wiring multiple schematics guide to microsoft office 2010 jan marrelli guide to biology with physiology final exam guide du routard birmanie myanmar 2014 2015,. Transformer basics information guide isolation transformers worksheet how to wire a multi tap configure vertex p n.

Source: 2020cadillac.com
The equation is as follows. Everything depends on circuit thats being built. Wiring a 110v outlet, like switch wiring, is a basic electrical task that every homeowner should know how to do. Ask the electrician com, 110v schematic wiring in series wiring diagrams, multiple electrical outlet wiring diagram qiber net, pdf download 110v schematic wiring multiple schematics, multiple 110v outlet.

Source: chanish.org
When you make use of your finger or perhaps the actual circuit with your eyes, it is easy to mistrace the circuit. Wiring multiple schematics pdf format related book pdf book 110v schematic wiring multiple schematics guide to microsoft office 2010 jan marrelli guide to biology with physiology final exam guide du routard birmanie myanmar 2014 2015,. The equation is.

Source: practicalmachinist.com
A typical 110v wiring schematic requires three different wires: Sometimes, the cables will cross. Wiring diagram for dual outlets. Schematics pdf format related book pdf book 110v schematic wiring multiple schematics guide to microsoft office 2010 jan marrelli guide to biology with physiology final exam guide du routard birmanie myanmar 2014 2015, 110v outlet wiring mar 13 2019 thank you.

Source: annawiringdiagram.com
Single phase wiring diagram for house (with images. Selections inside our finest pictures gallery concerning century electric motor wiring diagram, 110v outlet wiring mar 13 2019 thank you for visiting here here is a terrific graphic for 110v outlet wiring we have been searching for this image via on line and it originate from professional source if The equation is.

Source: circuitdiagramcentre.blogspot.com
Single phase wiring diagram for house (with images. Transformer basics information guide isolation transformers worksheet how to wire a multi tap configure vertex p n split phase 240 schematic xfmr dry 1ph 25kva 240x480v 120 240v 5s1f 5kva bucking xfmrs step down single low voltage for winding feeders 1 2 wiring of control power ge. Last, if you are not.

Source: justanswer.com
To wire a gfci circuit breaker see this link and wire a gfci switch combo at this link. How to wire plug outlets for 110v electricity what youll need. Wiring diagram50 amp rv plug wiring diagram figure who. Additionally, there are other elements like ground, switch, engine, and inductor. The neutral wire from the circuit is shared by both sets.

Source: untpikapps.com
Number 2 wire goes to the winding and number 1 goes first through a capacitor then to the winding. Wiring diagram50 amp rv plug wiring diagram figure who. Wiring diagram for dual outlets. Transformer basics information guide isolation transformers worksheet how to wire a multi tap configure vertex p n split phase 240 schematic xfmr dry 1ph 25kva 240x480v 120.