76 Vette Fuse Box 36++ Images Result
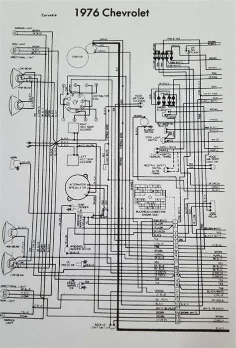
76 Vette Fuse Box. I just got a 76 vette and everything power goes down real slow (windows, lights) and the heat and air, radio don't work and the battery gets completely drained in like 10 min, even when the car is moving. Wiring harness includes fuse box or panel and connects all components across dash panel including speedometer, tachometer, small gauges, courtesy lights and electrical switches.
510716 fuse, relay, and flasher kit 1 z 510476 alternator and main connection kit 1 g 510718 dash harness kit 1. New reproduction 1976 corvette dash main wiring harness. 2017, 2018 engine compartment fuse block.
fairplay wiring diagram schaller 5 way switch wiring diagram honeywell 2wire thermostat wiring diagram 1976 chevy c10 wiring diagram
Wiring Diagram Corvette 1973 Wiring Diagram
Cannot locate the fuse box in a 1976 pontiac grand. I got y defogger back thats all that matters. New reproduction 1976 corvette dash main wiring harness. There should be a panel covering it that just screw off.

Source: 2040-parts.com
Our corvette restomod series kit is the most complete wiring kit on the market today. I have a 83 cj7 on the fuse block the turn is on top. 76 corvette fuse box diagram. If the fuse didn’t blow, a fi re or thermal event is possible. I pulled the fuse box from my 85 after i wrecked.

Source: 40.mac-happen.de
Can some people here post a pic of their fuse box? (screw, 3”,fuse box, 2 pcs.) (56 series double female and large gauge terminal, 6 pcs.) 510716 fuse, relay, and flasher kit 1 z 510476 alternator and main connection kit 1 g 510718 dash harness kit 1. Your troubleshooting should begin by tracing the faulty circuit from the fuse to.

Source: schematron.org
[diagram] 2006 gmc truck electrical wiring diagrams full version hd. Power seats, power windows & power door. 25 rows fuse box diagram. This trim piece is a breeze to install, it's also just as easy to remove. I have a fuse box with a connector on top that i can't place and it looks nothing like the one in the.

Source: wiringdiagram.2bitboer.com
( ) dress up your corvette with our polished stainless steel fuse box cover. 510716 fuse, relay, and flasher kit 1 z 510476 alternator and main connection kit 1 g 510718 dash harness kit 1. I have a 83 cj7 on the fuse block the turn is on top. (screw, 3”,fuse box, 2 pcs.) (56 series double female and large.

Source: corvetteforum.com
Anyone ever have trouble with something like this? Fits 1976 corvettes with manaul transmission. 1976 corvette, 1988 e190, 1992 e300 4 matic, 1995 e420. 76 corvette fuse box diagram. Ground (to bell housing bolt)
Source: kelvin-okl.blogspot.com
Your troubleshooting should begin by tracing the faulty circuit from the fuse to the electrical device it powers. There should be a panel covering it that just screw off. It boasts many features, making it the most complete wiring system available for the 3rd generation corvette. Cannot locate the fuse box in a 1976 pontiac grand. 76 corvette fuse box.

Source: 2040-parts.com
Can some people here post a pic of their fuse box? Hi there, your fuse box is located under the dash right by your left knee. 76 corvette fuse box diagram. 1976 jeep cj5 fuse box diagram. New reproduction 1976 corvette dash main wiring harness.
Source: kelvin-okl.blogspot.com
2017, 2018 engine compartment fuse block. Ground (to bell housing bolt) There should be a panel covering it that just screw off. There is one fuse block in the engine compartment on the passenger side of the vehicle. Owners manual or corvette shop manual.

Source: corvetteforum.com
I have a 83 cj7 on the fuse block the turn is on top. The 87 one was crap. A blown fuse is an indicator that a problem exists within the circuit, and the fuse is there to protect it. These also may be a convenience center which can be found under the hood. 76 corvette fuse box diagram.

Source: corvetteforum.com
The part numbers were the same thats why i reused the fuse box. 76 corvette fuse box diagram. This trim piece is a breeze to install, it's also just as easy to remove. When you're not the biggest, you try harder Then inside your '76 you will find a.

Source: dzdn7fqo1ttl6r6fcpf1xxyrdk8dqyy.blogspot.com
Now that you know where it is, you'll also find that if the clock, cig lighter and courtesy light don't work it's not necessarely a fuse. Gonna play with it some more later. I have a fuse box with a connector on top that i can't place and it looks nothing like the one in the 77 wiring book i.

Source: corvetteforum.com
I think it may be a. 3 in the morning last nite. New reproduction 1976 corvette dash main wiring harness. 25 rows fuse box diagram. I dun think there are mods to my fuse box.

Source: shop.docrebuild.com
(screw, 3”,fuse box, 2 pcs.) (56 series double female and large gauge terminal, 6 pcs.) There is one fuse block in the engine compartment on the passenger side of the vehicle. Our corvette restomod series kit is the most complete wiring kit on the market today. 1976 jeep cj5 fuse box diagram. I have a 83 cj7 on the fuse.
Source: cars-trucks24.blogspot.com
New reproduction 1976 corvette dash main wiring harness. 25 rows fuse box diagram. Need the fuse layout for fuse box located under the carpet in a 99 corvette. I pulled the fuse box from my 85 after i wrecked. Corvette fuse panel diagram within 1977 corvette fuse box diagram by admin from the thousands of pictures online about 1977 corvette.

Source: corvetteforum.com
And thats why were your one stop shop when youre in the market for a corvette flasher circuit breaker or fuse box. Can some people here post a pic of their fuse box? These also may be a convenience center which can be found under the hood. Now that you know where it is, you'll also find that if the.
Source: kelvin-okl.blogspot.com
Perfect blend of leading innovations and superior workmanship manufactured to offer high value and everlasting reliability. Ground (to bell housing bolt) ( ) dress up your corvette with our polished stainless steel fuse box cover. 1976 corvette, 1988 e190, 1992 e300 4 matic, 1995 e420. I have a 83 cj7 on the fuse block the turn is on top.

Source: corvetteforum.com
There is one fuse block in the engine compartment on the passenger side of the vehicle. 1976 jeep cj5 fuse box diagram. Cannot locate the fuse box in a 1976 pontiac grand. I dun think there are mods to my fuse box. Gonna play with it some more later.

Source: corvetteforum.com
A blown fuse is an indicator that a problem exists within the circuit, and the fuse is there to protect it. 76 corvette fuse box diagram. Now that you know where it is, you'll also find that if the clock, cig lighter and courtesy light don't work it's not necessarely a fuse. This trim piece is a breeze to install,.

Source: corvetteforum.com
And thats why were your one stop shop when youre in the market for a corvette flasher circuit breaker or fuse box. [diagram] 2006 gmc truck electrical wiring diagrams full version hd. 25 rows fuse box diagram. I have a 83 cj7 on the fuse block the turn is on top. Gonna play with it some more later.
Source: fusewiring.blogspot.com
Anyone ever have trouble with something like this? ( ) dress up your corvette with our polished stainless steel fuse box cover. 76 corvette fuse box diagram. Each fuse block uses miniature fuses which are designed for increased circuit protection and greater reliability. 510716 fuse, relay, and flasher kit 1 z 510476 alternator and main connection kit 1 g 510718.