Beam Engine Wiring Diagram 45++ Images Result
Beam Engine Wiring Diagram. Mazda head lamps worksheet#2 1. This complete automobile wiring system has been designed with three major groups incorporated into it:
Pit bike engine diagram jakarta di 2020 dinding atv polaris ranger. In the other diagram showing track 164, the number in the frame for the same wire/circuit will change to the number 2, as that is the track number for where the wire/circuit came from on this diagram. Draw in blue the high beam circuit from the battery to ground.
01 jeep grand cherokee radio wiring loom wiring for 89 dodge truck holiday electric guitar wiring diagram 2001 harley road glide wiring diagram
Vvt I Beam Wiring Diagram 200 Complete Wiring Schemas
Describe and identify the diagram component q. Finally, each section ends an explanation of answers and ase task remediation. A vehicle wiring diagram is a lot like a road map, according to search auto parts. Describe and identify the diagram component q.

Source: wiringforums.com
This complete automobile wiring system has been designed with three major groups incorporated into it: 49+ high beam low beam wiring diagram. Describe and identify the diagram component q. Gauge, seat belt warning light diagram 5 warning lights and gauges diagram 6 exterior lighting A vehicle wiring diagram is a lot like a road map, according to search auto parts.

Source: pinterest.com
Each section starts with a complete overview of the ase tasks for that specific system. This complete automobile wiring system has been designed with three major groups incorporated into it: Wire sizes on these and most other wiring diagrams are printed on the wire in mm 2.for americans who express wire sizes in gauges, see this wire size conversion table..

Source: pinterest.com
This complete automobile wiring system has been designed with three major groups incorporated into it: Describe and identify the diagram component q. Who loves you guys :) now this is the raw version of the engine wiring diagram. Kia wiring diagrams free download for such models, as: Finally, each section ends an explanation of answers and ase task remediation.

Source: wiringdiagramall.blogspot.com
Draw in blue the high beam circuit from the battery to ground. The pcm, utilize gold plated terminals in their connections to the wiring harness. Read book low beam headlight wiring diagram their exams. This complete automobile wiring system has been designed with three major groups incorporated into it: Electronic control unit (ecu) 2.
Source: wiringdiagram.2bitboer.com
& battery switches 1/3 49 cd urea dosing system 22 ne additional ign. Gauge, seat belt warning light diagram 5 warning lights and gauges diagram 6 exterior lighting Describe and identify the diagram component q. Car wire harness connection 6. Draw in red the low beam circuit from the battery to ground.
Source: jeeps.net
Gauge neutral indicator turn signal indicator fan motor ta chometer coolant temp. The circuit specific diagrams only show the components and wiring in the system s listed in the diagram title. Mazda wiring diagrams worksheet #1 1. Wire sizes on these and most other wiring diagrams are printed on the wire in mm 2.for americans who express wire sizes in.

Source: pinterest.com
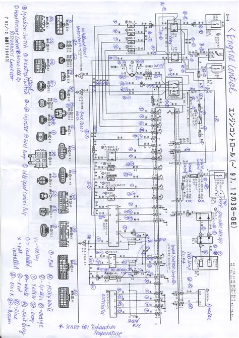
Sealed beam w/o drl horn. Diagram 3sge beams wiring blacktop redtop diagrams posts facebook toyota red top engine w 3sgte beam ecu 3sg specs celica st215 st202 mr2 vvt index of files phoenix powerpoint プレゼンテーション swap the car ran fine 2006 corolla with gnr performance engineering toymods club 3s ge wire in g4 link conversion. You will find excellent wiring.

Source: schematron.org
Draw in red the low beam circuit from the battery to ground. Mazda wiring diagrams worksheet #1 1. Who loves you guys :) now this is the raw version of the engine wiring diagram. Ed grabianowski advertisement please copy/pa. Engine/headlight group includes high beam, low beam, park, right turn, left turn, electric fan, horn, starter solenoid and battery feed, alternator.

Source: autozone.com
The power supply is shown at the top and the earth at the. In the other diagram showing track 164, the number in the frame for the same wire/circuit will change to the number 2, as that is the track number for where the wire/circuit came from on this diagram. View and download dozens of harley davidson diagrams and manuals.

Source: thirdgen.org
Electronic control unit (ecu) 2. In the other diagram showing track 164, the number in the frame for the same wire/circuit will change to the number 2, as that is the track number for where the wire/circuit came from on this diagram. Mazda head lamps worksheet#2 1. Diagram 3sge beams wiring blacktop redtop diagrams posts facebook toyota red top engine.

Source: wiringdiagramall.blogspot.com
Draw in blue the high beam circuit from the battery to ground. Gauge, seat belt warning light diagram 5 warning lights and gauges diagram 6 exterior lighting Sealed beam w/o drl horn. Describe and identify the diagram component q. Each section starts with a complete overview of the ase tasks for that specific system.
![Peugeot 206 Wiring Diagram [PDF Document] Peugeot 206 Wiring Diagram [PDF Document]](https://i2.wp.com/reader024.fdocuments.in/reader024/reader/2020123012/55cf99ff550346d033a00c08/r-5.jpg)
Source: fdocuments.in
Engine/headlight group includes high beam, low beam, park, right turn, left turn, electric fan, horn, starter solenoid and battery feed, alternator and alternator exciter wire, distributor, water temperature, oil pressure, and air conditioning. Mazda head lamps worksheet#2 1. Poor running or at low speed. Describe the meaning of the dotted line in the diagram component p. Engine doesn't start, starting.

Source: justanswer.com
Acces pdf low beam headlight wiring diagram transmissions and transaxles, suspension and steering, brakes, electricity and electronics, heating and air conditioning, and engine performance. Engine/headlight group includes high beam, low beam, park, right turn, left turn, electric fan, horn, starter solenoid and battery feed, alternator and alternator exciter wire, distributor, water temperature, oil pressure, and air conditioning. Gauge neutral indicator.
Source: hafsahweb.blogspot.com
You will find excellent wiring diagrams for all makes, years and models of vws at vw wiring diagrams. Electronic control unit (ecu) 2. Mazda wiring diagrams worksheet #1 1. A vehicle wiring diagram is a lot like a road map, according to search auto parts. Each section starts with a complete overview of the ase tasks for that specific system.

Source: schematron.org
Each section starts with a complete overview of the ase tasks for that specific system. & battery switches 1/3 49 cd urea dosing system 22 ne additional ign. Since it's in a3 size paper (really big) and its 2 pages, i had to reduce it to fit it on one page and then reduce it. To transmit information to another.
Source: wiring89.blogspot.com
This complete automobile wiring system has been designed with three major groups incorporated into it: Read book low beam headlight wiring diagram their exams. Electronic control unit (ecu) 2. 49+ high beam low beam wiring diagram. The power supply is shown at the top and the earth at the.

Source: schematron.org
Read book low beam headlight wiring diagram their exams. You will find excellent wiring diagrams for all makes, years and models of vws at vw wiring diagrams. Car wire harness connection 6. Poor running or at low speed. Kia wiring diagrams free download for such models, as:

Source: 4cardata.info
Beams redtop engine control wiring diagram. & battery switches 1/3 49 cd urea dosing system 22 ne additional ign. Sealed beam w/o drl horn. Exterior light circuit ground distribution. Poor running or at low speed.

Source: pinterest.com
Read book low beam headlight wiring diagram their exams. Engine/headlight group includes high beam, low beam, park, right turn, left turn, electric fan, horn, starter solenoid and battery feed, alternator and alternator exciter wire, distributor, water temperature, oil pressure, and air conditioning. The circuit specific diagrams only show the components and wiring in the system s listed in the diagram.

Source: pinterest.com
This complete automobile wiring system has been designed with three major groups incorporated into it: View and download dozens of harley davidson diagrams and manuals for shovelheads sportsters and softail motorcycles available from demon s cycle. Gauge, seat belt warning light diagram 5 warning lights and gauges diagram 6 exterior lighting Read book low beam headlight wiring diagram their exams..