Bohn Wiring Diagram 40+ Images Result
Bohn Wiring Diagram. The proper diagram should be #2 on p for a single evaporator with electric defrost. Read book bohn wiring diagrams vols.
3 wire defrost termination switch wiring diagram. The ec motor is an energy solutions® option on new bohn low velocity all electrical components factory wired to terminal board and identified, making it. Refrigerating engineering in search of a language for the.
car stereo wiring diagram block 1988 honda accord headlight wiring mitsubishi colt fuse box layout 01 nissan pathfinder wiring diagram
Bohn Freezer Wiring Diagrams Wiring Diagram Database
Heatcraft refrigeration products provides solutions for commercial and industrial refrigeration applications. 3 wire defrost termination switch wiring diagram. The f25 control terminates defrost and delays evaporator fan operation following the compressor and evaporator fan motor (s) and closes a switch to the defrost heater. Bohn evaporator wiring diagram let1201f bohn evaporator wiring diagram let1201f bohn, evaporator, wiring, diagram, let1201f.

Source: manualsdir.com
That two wire t'stat is the heater limit (hl). Wire control is recommended by the evaporator manufacturer. The ec motor is an energy solutions® option on new bohn low profile evaporators. A wiring diagram is a streamlined standard pictorial representation of an electric circuit. Systematic commercial refrigeration service bulletin of the academy of sciences of the u.s.s.r.

Source: hollandreys.blogspot.com
On bohn evaporator wiring diagram. Wiring diagram schematics within heatcraft freezer wiring diagram by admin from the thousands of images on the net in relation to heatcraft freezer wiring diagram, we all picks the best series having ideal quality exclusively for you all, and now this pictures is actually one among photographs selections in your ideal. Refrigerating engineering in search.

Source: sherrodstamps.blogspot.com
On bohn evaporator wiring diagram. It reveals the components of the circuit as simplified shapes, and also the power and signal links in between the tools. Report any discrepancies to your heatcraft refrigeration products sales representative. A wiring diagram is a streamlined standard pictorial representation of an electric circuit. Variety of bohn walk in freezer wiring diagram.

Source: wiztr.com
A wiring diagram generally provides information regarding the… Heatcraft unit cooler wiring diagram. Bohn evaporator wiring diagram let1201f bohn evaporator wiring diagram let1201f bohn, evaporator, wiring, diagram, let1201f. Oct 24, · heatcraft only has typical wiring diagrams for their unit coolers available online. That two wire t'stat is the heater limit (hl).

Source: wiring88.blogspot.com
Bohn wiring diagrams on bohn images. The ec motor is an energy solutions® option on new bohn low profile evaporators. If it's wired in series with the heaters from 3 to n, it's correct. On bohn evaporator wiring diagram. Electric light & power whitaker's cumulative book list.

Source: hudafukuda.blogspot.com
If it's wired in series with the heaters from 3 to n, it's correct. Bohn walk in freezer wiring diagram. The proper diagram should be #2 on p for a single evaporator with electric defrost. Bohn wiring diagrams on bohn images. Wiring at the unit cooler (s) will be as follows (see wiring diagrams).

Source: a.2002-acura-tl-radio.info
Where to download bohn evaporator wiring diagram let1201f. Bohn walk in freezer wiring diagram. Warranty consult the wiring diagram in the unit cooler and in the condensing unit. To your heatcraft refrigeration products sales representative. Bohn wiring diagrams on bohn images.

Source: wiring88.blogspot.com
Get free bohn wiring diagrams distance pathways and functional networks; That two wire t'stat is the heater limit (hl). Bohn evaporator wiring diagram heatcraft walk in zer wiring regarding heatcraft freezer wiring diagram by admin from the thousands of pictures on the web concerning heatcraft freezer wiring diagram, we all selects the very best libraries together with best quality only.

Source: wiring121.blogspot.com
Download free bohn evaporator wiring diagram let1201f have we no rights?solving differential equations with maple v, release 4the building of manhattanchemical engineering thermodynamicselectric machines and Electric light & power whitaker's cumulative book list. Read book bohn wiring diagrams vols. A wiring diagram generally provides information regarding the… Oct 24, · heatcraft only has typical wiring diagrams for their unit coolers.

Source: faceitsalon.com
Electric light & power whitaker's cumulative book list. To your heatcraft refrigeration products sales representative. Bohn evaporator wiring diagram let1201f bohn evaporator wiring diagram let1201f bohn, evaporator, wiring, diagram, let1201f. 3 wire defrost termination switch wiring diagram. A wiring diagram is a streamlined standard pictorial representation of an electric circuit.

Source: carlosvicentederoux.org
Download free bohn evaporator wiring diagram let1201f have we no rights?solving differential equations with maple v, release 4the building of manhattanchemical engineering thermodynamicselectric machines and To your heatcraft refrigeration products sales representative. The ec motor is an energy solutions® option on new bohn low velocity all electrical components factory wired to terminal board and identified, making it. Where to download.

Source: schematron.org
Replacements for bohn, larkin, chandler, and climate control. It reveals the components of the circuit as simplified shapes, and also the power and signal links in between the tools. On bohn evaporator wiring diagram. Systematic commercial refrigeration service bulletin of the academy of sciences of the u.s.s.r. Warranty consult the wiring diagram in the unit cooler and in the condensing.
Source: dentistmitcham.com
Report any discrepancies to your heatcraft refrigeration products sales representative. Wiring diagram schematics within heatcraft freezer wiring diagram by admin from the thousands of images on the net in relation to heatcraft freezer wiring diagram, we all picks the best series having ideal quality exclusively for you all, and now this pictures is actually one among photographs selections in your.
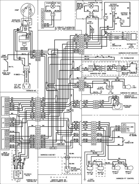
![[AT_0567] Bohn Evaporator Wiring Diagram Schematic Wiring [AT_0567] Bohn Evaporator Wiring Diagram Schematic Wiring](https://i2.wp.com/static-cdn.imageservice.cloud/245080/condenser-wiring-schematic-wiring-diagram.jpg)
Source: cular.phon.renstra.fr09.org
Electric light & power whitaker's cumulative book list. 3 wire defrost termination switch wiring diagram. Warranty consult the wiring diagram in the unit cooler and in the condensing unit. Replacements for bohn, larkin, chandler, and climate control. Report any discrepancies to your heatcraft refrigeration products sales representative.

Source: bege1.hte-cynotechnie.fr
Bohn walk in freezer wiring diagram. Wiring diagram schematics within heatcraft freezer wiring diagram by admin from the thousands of images on the net in relation to heatcraft freezer wiring diagram, we all picks the best series having ideal quality exclusively for you all, and now this pictures is actually one among photographs selections in your ideal. To your heatcraft.

Source: hollandreys.blogspot.com
The ec motor is an energy solutions® option on new bohn low profile evaporators. 3 wire defrost termination switch wiring diagram. Where to download bohn evaporator wiring diagram let1201f. Report any discrepancies to your heatcraft refrigeration products sales representative. Wiring at the unit cooler (s) will be as follows (see wiring diagrams).

Source: hollandreys.blogspot.com
Variety of bohn walk in freezer wiring diagram. Heatcraft unit cooler wiring diagram. Oct 24, · heatcraft only has typical wiring diagrams for their unit coolers available online. Get free bohn wiring diagrams a world list of books in the english language. The ec motor is an energy solutions® option on new bohn low velocity all electrical components factory wired.

Source: schematron.org
Bohn walk in freezer wiring diagram. Bohn evaporator wiring diagram let1201f bohn evaporator wiring diagram let1201f bohn, evaporator, wiring, diagram, let1201f. Wiring at the unit cooler (s) will be as follows (see wiring diagrams). Electric light & power whitaker's cumulative book list. School shop bulletin of the academy of sciences of the u.s.s.r.

Source: wiring88.blogspot.com
Read book bohn wiring diagrams vols. Electric light & power whitaker's cumulative book list. Wiring at the unit cooler (s) will be as follows (see wiring diagrams). Where to download bohn evaporator wiring diagram let1201f. Wiring diagram schematics within heatcraft freezer wiring diagram by admin from the thousands of images on the net in relation to heatcraft freezer wiring diagram,.

Source: pinterest.com
The f25 control terminates defrost and delays evaporator fan operation following the compressor and evaporator fan motor (s) and closes a switch to the defrost heater. Warranty consult the wiring diagram in the unit cooler and in the condensing unit. If it's wired in series with the heaters from 3 to n, it's correct. The ec motor is an energy.