Bug Wiring Diagram 16+ Images Result
Bug Wiring Diagram. Vw tech article 1972 wiring diagram. It is likely that your vw's wiring has been tampered with by different owners over the years.
So anything could have become unwired. Lane russellhas received quite a few emails asking for the correct wiring diagram for the one year only’67 beetle. 1957 beetle wiring diagram 1961 beetle wiring diagram 1962 beetle wiring diagram 1964 beetle fuse box 1965 beetle wiring diagram 1966 beetle wiring diagram 1966 beetle wiring.
cooper gfci schematic wiring diagram 1983 gl1100 aspencade wiring diagram schematic electrical wiring diagram definition john deere 112 electric lift wiring diagram
Wiring Diagram 31 Vw Bug Turn Signal Wiring Diagram
1974 vw beetle wiring diagram 171 stage. If you haven't overhauled your vw's wiring system, it is likely the volkswagen's wires. You will be in a position to understand specifically once the projects needs to be completed, which makes it much simpler for you to effectively manage your time and effort. Many common parts like spark plugs, brake parts, many suspension parts,.

Source: thesamba.com
Here is a picture gallery about 1968 vw beetle wiring diagram complete with the description. It is likely that your vw's wiring has been tampered with by different owners over the years. 1970 vw beetle turn signal wiring diagram. This wiring diagram is for 1971 vw beetle and super beetle. Black wire with white stripe.

Source: schematron.org
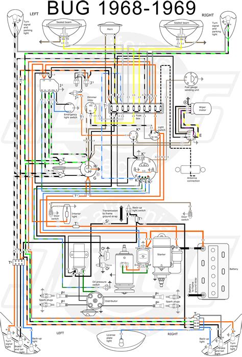
The following picture shows the electrical wiring connection diagram for vw beetle 1300 model year 165 1966 it shows the connection between vw parts such as the turn signal parking light horn sealed beam unit wiper motor antenna connection radio fuel gauge light ignition starter switch interior light door switch spark plugs ignition coil generator distributor starter. Luckily, our jbugs.

Source: soundslikeyou.pandora.com
I just bought a 69 bug, really good shape, except the front. You will be in a position to understand specifically once the projects needs to be completed, which makes it much simpler for you to effectively manage your time and effort. Vw tech article 1972 wiring diagram. The negative side of the coil will go down to the distributor.

Source: melissappos.blogspot.com
74 beetle fuse box diagram ignition talkforums com. Wiring diagrams help technicians to find out what sort of controls are wired to the system. 2002 ford f250 super duty fuse box diagram. June 20 2012 at 10 29 am june 20th 2012. Wiring diagram throughout 1968 vw beetle wiring diagram, image size 816 x 603 px, and to view image.
Source: diagramfactory.blogspot.com
You will be in a position to understand specifically once the projects needs to be completed, which makes it much simpler for you to effectively manage your time and effort. 1974 vw beetle wiring diagram 171 stage. Wiring diagrams help technicians to find out what sort of controls are wired to the system. Electrical wiring can be one of the.

Source: wiringforums.com
1974 vw beetle wiring diagram 171 stage. The vw shop manual recommends cutting the luggage compartment answer: Eric shoemaker on january 12, 2012. 1953 bus wiring diagram 1954 bus wiring diagram 1957 bus wiring diagram 73 vw beetle wiring diagram 175 plaster.

Source: justanswer.com
1968 vw bug wiring diagram. Luckily, our jbugs vw techs have painstakingly mapped out all of the wiring for your vw bug, taking the guess work out of it. Version) from august 1966 to july 1967. 1974 vw beetle wiring diagram 171 stage. 2002 ford f250 super duty fuse box diagram.

Source: diagramonwiring.blogspot.com
So anything could have become unwired. Black wire with white stripe. Here is a picture gallery about 1968 vw beetle wiring diagram complete with the description. Wiring diagram for 1959 volkswagen bus. ’66 and ’67 vw beetle wiring diagram.

Source: wiringforums.com
Here is a picture gallery about 1968 vw beetle wiring diagram complete with the description. Our color coded wiring diagrams can serve as a guide or reference for you while restoring your. 1957 beetle wiring diagram 1961 beetle wiring diagram 1962 beetle wiring diagram 1964 beetle fuse box 1965 beetle wiring diagram 1966 beetle wiring diagram 1966 beetle wiring. Version).

Source: thegoldenbug.com
I just bought a 69 bug, really good shape, except the front. 1974 vw beetle wiring diagram 171 stage. 1 trick that we 2 to printing a. 1974 vw beetle wiring diagram 171 stage. Also, you will find excellent wiring diagrams for all makes, years and models of vws at vw wiring diagrams.

Source: thegoldenbug.com
In the other diagram showing track 164, the number in the frame for the same wire/circuit will change to the number 2, as that is the track number for where the wire/circuit came from on this diagram. 1971 vw bug wiring diagram schematic schematic and from pinterest.com.au. Here is a picture gallery about 1968 vw beetle wiring diagram complete with.

Source: thegoldenbug.com
1974 vw beetle wiring diagram 171 stage. Wiring diagrams help technicians to find out what sort of controls are wired to the system. Version) from august 1966 to july 1967 in all its glory. Assortment of 2001 vw beetle wiring diagram you are able to download at no cost. Right click on the diagram/key/fuse box you want to download.

Source: melissappos.blogspot.com
Black wire with white stripe. Illustrated below is the vw 1500 sedan and convertible (u.s. For additional wiring diagrams info, see electrical system (e) in the technical bulletins index. You will be in a position to understand specifically once the projects needs to be completed, which makes it much simpler for you to effectively manage your time and effort. You.

Source: thesamba.com
Vw tech article 1972 wiring diagram. 800 x 600 px source. Also, you will find excellent wiring diagrams for all makes, years and models of vws at vw wiring diagrams. I’ve received 4 emails in the last 2 weeks asking for the correct wiring diagram for both a ’66 and ’67 beetle. 2002 ford f250 super duty fuse box diagram.

Source: autowiringdiagram.blogspot.com
Type 1 wiring diagrams within 1973 vw beetle wiring diagram, image size 501 x 390 px, and to view image details please click the image. I need a good copy of 1974 super beetle wiring diagram that s it for now. The vw shop manual recommends cutting the luggage compartment answer: Illustrated above is the vw 1500 sedan and convertible.

Source: wiringforums.com
I just bought a 69 bug, really good shape, except the front. Print the wiring diagram off plus use highlighters to trace the signal. Both the lights on my speedometer are not working and i'm question: Thesamba com type 1 wiring diagrams. I’ve received 4 emails in the last 2 weeks asking for the correct wiring diagram for both a.

Source: thegoldenbug.com
Vw bug electrical wiring & assembly diagrams. Wiring diagram for 1959 volkswagen bus. Vw tech article 1972 wiring diagram. The negative side of the coil will go down to the distributor points connector where the condenser will also be wired. 1 trick that we 2 to printing a.

Source: izni-radz.blogspot.com
This wiring diagram is for 1971 vw beetle and super beetle. ’66 and ’67 vw beetle wiring diagram. 1971 vw super beetle ignition switch wiring diagram. Wiring diagram for speedometer and gauges on a69 beetle. The negative side of the coil will go down to the distributor points connector where the condenser will also be wired.

Source: schematicandwiringdiagram.blogspot.com
Illustrated above is the vw 1500 sedan and convertible (u.s. The other thing you will come across a circuit diagram would be lines. 1968 vw bug wiring diagram. For additional wiring diagrams info, see electrical system (e) in the technical bulletins index. Lane russellhas received quite a few emails asking for the correct wiring diagram for the one year only’67.

Source: tonetastic.info
Black wire with white stripe. 1 trick that we 2 to printing a. I need a good copy of 1974 super beetle wiring diagram that s it for now. 73 vw beetle wiring diagram 175 plaster. A circuit is usually composed by various components.