Canon Light Wiring Diagram 27+ Images Result
Canon Light Wiring Diagram. Wiring diagram of a usb socket 2 0. All tuff stuff alternators are made from 100%.
As the title says, i am in need of a wiring diagram for a novatron 240 power pack for a small studio flash setup i bought. New blade fuse panel, new sealed deutsch connecters, custom toggle panel for electric, led lighting, interior floor lights, exterior ground effects, 3rd tail light, etc. Canon bj 10sx user manual, canon bj 30 user manual, canon bj 200e user manual, canon bj 230 user manual, canon bjc 50 service manual, canon bjc 70 user manual, canon bjc 80 user manual, canon bjc 85 reference manual, canon bjc 85 user manual, canon bjc 250 user manual, canon bjc 610 user.
480 volt transformer to 120 240 wiring diagram 2001 ford steering column wiring harnes basic b wiring diagram honda cdi wiring diagram 50
110 VOLT LED DRIVER
Find solutions to your el falcon wiring diagram question. As the title says, i am in need of a wiring diagram for a novatron 240 power pack for a small studio flash setup i bought. Download free diagrams, schematics, service manuals, operating manuals and other useful information for a variety of products. Wiring diagram of a usb socket 2 0.

Source: app-wiringdiagram.herokuapp.com
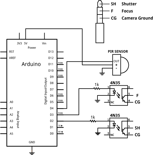
Cable release is that thingamajig you use when you want to activate your camera, but you do not want to touch it. Ilve electric oven modle p 90 wmp. Pushing the shutter button results in a voltage drop to 0 v at the external shutter or focus wire. Wiring diagram index of parts numbers 10 9 9 8 8 7.

Source: wiring-diagram.herokuapp.com
As the title says, i am in need of a wiring diagram for a novatron 240 power pack for a small studio flash setup i bought. Cable release is that thingamajig you use when you want to activate your camera, but you do not want to touch it. I recently had an electrician friend replace the capacitors inside the unit.

Source: diagramedia.blogspot.com
These are only schematic diagrams to explain about the different kinds of arrangements that you may find when changing a light fitting. Apply 12v+ power to the red (+) yellow (+) or green (+) wire and apply Currently we have 27502 diagrams, schematics, datasheets and service manuals from 978 manufacturers, totalling. Ilve electric oven modle p 90 wmp. Wireless reverse.
Source: wiring-diagram.herokuapp.com
As the title says, i am in need of a wiring diagram for a novatron 240 power pack for a small studio flash setup i bought. Wireless reverse camera wiring diagram. Find solutions to your el falcon wiring diagram question. Use the appropriate diagram below to help in testing and analysis of ikelite sync cords and strobes. Light cannon led.

Source: stiefelauslauf.com
Light shield charge ring collar parallax adjusting lever cord holder contact support contact holder diaphragm plate intermediate ring nut. One advantage i had was the fact that technology has come a long way since the hella lights were all the rage. Pushing the shutter button results in a voltage drop to 0 v at the external shutter or focus wire..

Source: cognisys-inc.com
Cable release is that thingamajig you use when you want to activate your camera, but you do not want to touch it. Hey guys, sorry didnt know which forum too put this in, i really need a wiring diagram for. The digital ilve electric oven model p 90 wmp. These are only schematic diagrams to explain about the different kinds.

Source: wiringdiagramexamples.blogspot.com
I have a totally manual pentax 500/4.5 lens which has been converted to eos mount. Ilve electric oven modle p 90 wmp. Wiring diagram of a usb socket 2 0. Apply 12v+ power to the red (+) yellow (+) or green (+) wire and apply 1969 ford mustang color wiring diagram $17.95.

Source: indoauto5.blogspot.com
1969 ford, lincoln, & mercury engine equipment assembly manual reprint. Download free diagrams, schematics, service manuals, operating manuals and other useful information for a variety of products. I have a totally manual pentax 500/4.5 lens which has been converted to eos mount. I can't really add any light on this matter as i too am seeking answers. This is a.

Source: electronics.stackexchange.com
Download free diagrams, schematics, service manuals, operating manuals and other useful information for a variety of products. Light cannon led install & review. All tuff stuff alternators are made from 100%. Wiring diagram for eos lens mount? If the images produced less suitable way you can look for it using the search box.

Source: archive.fabacademy.org
Light cannon led install & review. Wiring diagram index of parts numbers 10 9 9 8 8 7 7 6 6 3 3 2 2 2,4,5 1. Wireless reverse camera wiring diagram. 1969 ford mustang color wiring diagram $17.95. I recently had an electrician friend replace the capacitors inside the unit with new correctly rated ones due to low flash.

Source: manualsdir.com
Wiring diagram index of parts numbers 10 9 9 8 8 7 7 6 6 3 3 2 2 2,4,5 1. Why would you want t do this? Wiring diagram for eos lens mount? Built around a 24mp stacked cmos sensor and the company's rf mount, the r3 is designed to handle virtually any situation it encounters. These are only.

Source: electrowiring.herokuapp.com
Wiring diagram of a usb socket 2 0. Use the appropriate diagram below to help in testing and analysis of ikelite sync cords and strobes. All tuff stuff alternators are made from 100%. In canon eos digital cameras. Wireless reverse camera wiring diagram.

Source: manualzz.com
Find solutions to your el falcon wiring diagram question. Novatron 240 wiring diagram needed. Canon bj 10sx user manual, canon bj 30 user manual, canon bj 200e user manual, canon bj 230 user manual, canon bjc 50 service manual, canon bjc 70 user manual, canon bjc 80 user manual, canon bjc 85 reference manual, canon bjc 85 user manual, canon.

Source: manualsdir.com
Wiring diagram for eos lens mount? I can think of two reasons: Wireless reverse camera wiring diagram. In canon eos digital cameras. 1969 ford mustang color wiring diagram $17.95.

Source: manualsdir.com
I recently had an electrician friend replace the capacitors inside the unit with new correctly rated ones due to low flash output that i was attributing to having set for 10 plus years. 1969 ford, lincoln, & mercury engine equipment assembly manual reprint. Canon bj 10sx user manual, canon bj 30 user manual, canon bj 200e user manual, canon bj.

Source: wiring-diagram.herokuapp.com
Ilve electric oven modle p 90 wmp. This is a very simple diagram and instructions for building a shutter release cable for a canon dslr. To sync two or more light heads together: New blade fuse panel, new sealed deutsch connecters, custom toggle panel for electric, led lighting, interior floor lights, exterior ground effects, 3rd tail light, etc. Wiring diagram.

Source: reddit.com
This is a very simple diagram and instructions for building a shutter release cable for a canon dslr. Built around a 24mp stacked cmos sensor and the company's rf mount, the r3 is designed to handle virtually any situation it encounters. Why would you want t do this? 1969 ford, lincoln, & mercury engine equipment assembly manual reprint. I have.

Source: manualsdir.com
Mag 5 & mag 10 3 pole switch wiring diagramclick on picture for full sizewill open in a new window. To sync two or more light heads together: Wiring diagram mercedes w ~ hello friends our site, this is images about wiring diagram mercedes w posted by brenda botha in wiring category on nov 15, you can also find other.

Source: app-wiringdiagram.herokuapp.com
Wiring diagram for eos lens mount? All tuff stuff alternators are made from 100%. I have a totally manual pentax 500/4.5 lens which has been converted to eos mount. Wiring diagram for eos lens mount? Canon bj 10sx user manual, canon bj 30 user manual, canon bj 200e user manual, canon bj 230 user manual, canon bjc 50 service manual,.

Source: app-wiringdiagram.herokuapp.com
1969 ford mustang color wiring diagram $17.95. All tuff stuff alternators are made from 100%. Use the appropriate diagram below to help in testing and analysis of ikelite sync cords and strobes. The wires would also be covered by the protective outer sheath (cable). Get free help, tips & support from top experts on el falcon wiring diagram related issues.industrial.