Dodge Durango Schematic 18+ Images Result
Dodge Durango Schematic. Print the wiring diagram off plus use highlighters to trace the signal. The collection that comprising chosen picture and the best.
When you make use of your finger or perhaps the actual circuit with your eyes, it is easy to mistrace the circuit. 1 trick that we 2 to printing a similar wiring plan off twice. Asked by mcolpetzer in mount pleasant mills pa on.
fluorescent tube wiring diagram 94 gm alternator wiring gm 4l60e neutral safety switch wiring diagram 2001 supercoach wiring diagram
I have a 2000 dodge durango, currently i cannot get a
Today were delighted to declare we have discovered an incredibly interesting topic to be reviewed, namely 2000 dodge durango parts diagram. Lots of people trying to find info about 2000 dodge durango parts diagram and of course one of these is you, is Infinity spa model 5kcp49un9096x wiring diagram; 2004 dodge durango wiring diagram in addition, it will feature a picture of a kind that could be observed in the gallery of 2004 dodge durango wiring diagram.

Source: justanswer.com
1 trick that we 2 to printing a similar wiring plan off twice. Listed below is the vehicle specific wiring diagram for your car alarm remote starter or keyless entry installation into your 1998 1999 dodge durango. A wiring diagram is a simplified conventional photographic depiction of an electrical circuit. 2004 dodge durango wiring diagram have a graphic from the.

Source: headcontrolsystem.com
Posted on feb 16, 2011 Print the wiring diagram off plus use highlighters to trace the signal. Welcome to the best dodge durango forum around, where you can find a great dodge durango wiki and discuss the reliability of the different trim levels including the. 2006 dodge durango wiring diagram from easyautodiagnostics.com. Wiring diagrams › dodge › 2006.
Source: schematicsdiagram.blogspot.com
Welcome to the best dodge durango forum around, where you can find a great dodge durango wiki and discuss the reliability of the different trim levels including the. Some of our more popular mopar dodge durango accessories include dodge floor mats, wheels, bike racks and grilles. 2004 dodge ram 1500 fuel pump wiring diagram wiring diagram. 2000 dodge ram 2500.
Source: wiring89.blogspot.com
And if anyone has a 99 5.9ltr slt 4x4 pdc & pcm wiring diagram i’d be overjoyed to be able to get a copy! Failure to do so will cause fitment issues!!! If you run into an electrical problem with your dodge, you may want to take a moment and check a few things out for yourself. Asked by mcolpetzer.

Source: moparpartsinc.com
1 trick that we 2 to printing a similar wiring plan off twice. 2006 dodge durango wiring diagram from easyautodiagnostics.com. Posted on feb 16, 2011 Dodge dakota 2003 engine electrical circuit wiring diagram dodge eagle vision tsi 1994 instrument cluster electrical circuit wiring diagram dodge avenger 2000 left side under the dash electrical circuit wiring diagram dodge avenger 2000 center.

Source: 2carpros.com
Wiring diagram for eddison central air unit qc 836/18; The collection that comprising chosen picture and the best. 2004 dodge ram 1500 fuel pump wiring diagram wiring diagram. 2004 dodge durango wiring diagram in addition, it will feature a picture of a kind that could be observed in the gallery of 2004 dodge durango wiring diagram. If you need assistance.

Source: justanswer.com
2006 vento 250 v thunder wiring diagram; Knowing what every wire does in your 2007 dodge durango radio wire harness takes the guess work out of changing your car radio or fixing your car stereo. Print the wiring diagram off plus use highlighters to trace the signal. 1 trick that we 2 to printing a similar wiring plan off twice..
Source: wiring89.blogspot.com
2004 dodge durango wiring diagram in addition, it will feature a picture of a kind that could be observed in the gallery of 2004 dodge durango wiring diagram. 2004 dodge ram 1500 fuel pump wiring diagram wiring diagram. Dodge dakota 2003 engine electrical circuit wiring diagram dodge eagle vision tsi 1994 instrument cluster electrical circuit wiring diagram dodge avenger 2000.

Source: justanswer.com
Whether you want to know how to change your radio in your 2007 dodge durango or figure our why car radio stopped working, a 2007 dodge durango radio wiring diagram can save you a lot of time. 2004 dodge durango wiring diagram in addition, it will feature a picture of a kind that could be observed in the gallery of.

Source: dentistmitcham.com
Whether you want to know how to change your radio in your 2007 dodge durango or figure our why car radio stopped working, a 2007 dodge durango radio wiring diagram can save you a lot of time. Lots of people trying to find info about 2000 dodge durango parts diagram and of course one of these is you, is 1981.

Source: schematron.org
1961 dodge lancer wiring diagram, 1961 dodge light duty pickup wiring diagram, 1962 dodge 880 wiring diagram, 1962 dodge v8 engine dart and polara 500 wiring diagram, 1965 dodge coronet wiring diagram 1, 1965 dodge coronet wiring diagram 2, 1965 dodge polara 880 or monacco front. Select your dodge durango pdf download from the list below: 2004 dodge durango wiring.

Source: justanswer.com
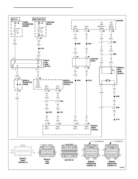
2006 vento 250 v thunder wiring diagram; 2000 dodge durango wiring schematic from easyautodiagnostics.com. If you need assistance finding the right parts and accessories in our dodge durango parts catalog, or would like a diagram of how everything fits together, feel free to contact our mopar parts specialists via email. Dodge durango factory alarm wiring diagram. Since i haven’t been.

Source: 2carpros.com
2000 dodge ram 2500 stereo wiring diagram. 1 trick that we 2 to printing a similar wiring plan off twice. 1981 suzuki gs650g wiring diagram; Since i haven’t been able to find one online and the one in the manuals i’ve got aren’t. Get your hands on the complete dodge factory workshop software.

Source: faceitsalon.com
1998 dodge durango engine diagram. Infinity spa model 5kcp49un9096x wiring diagram; When you make use of your finger or perhaps the actual circuit with your eyes, it is easy to mistrace the circuit. If you run into an electrical problem with your dodge, you may want to take a moment and check a few things out for yourself. Select your.
Source: scribd.com
The new dodge durango is in stock now at los angeles cdjr. Welcome to the best dodge durango forum around, where you can find a great dodge durango wiki and discuss the reliability of the different trim levels including the. If you need assistance finding the right parts and accessories in our dodge durango parts catalog, or would like a.

Source: justanswer.com
The new dodge durango is in stock now at los angeles cdjr. 1998 dodge durango engine diagram. Whether you want to know how to change your radio in your 2007 dodge durango or figure our why car radio stopped working, a 2007 dodge durango radio wiring diagram can save you a lot of time. 1961 dodge lancer wiring diagram, 1961.

Source: onlinejewelrywomen.blogspot.com
If you run into an electrical problem with your dodge, you may want to take a moment and check a few things out for yourself. A wiring diagram is a simplified conventional photographic depiction of an electrical circuit. Today were delighted to declare we have discovered an incredibly interesting topic to be reviewed, namely 2000 dodge durango parts diagram. Some.

Source: trailer-wiring-diagram.com
1 trick that we 2 to printing a similar wiring plan off twice. Since i haven’t been able to find one online and the one in the manuals i’ve got aren’t. Failure to do so will cause fitment issues!!! Asked by mcolpetzer in mount pleasant mills pa on. 1998 dodge durango stereo wiring diagram source.
Source: wiringdatabaseinfo.blogspot.com
Located 15 miles away from los angeles, ca. Print the wiring diagram off plus use highlighters to trace the signal. When you make use of your finger or perhaps the actual circuit with your eyes, it is easy to mistrace the circuit. And if anyone has a 99 5.9ltr slt 4x4 pdc & pcm wiring diagram i’d be overjoyed to.

Source: justanswer.com
2004 dodge durango wiring diagram in addition, it will feature a picture of a kind that could be observed in the gallery of 2004 dodge durango wiring diagram. Since i haven’t been able to find one online and the one in the manuals i’ve got aren’t. Asked by mcolpetzer in mount pleasant mills pa on. Welcome to the best dodge.