F150 5 0 Engine Diagram 29+ Images Result
F150 5 0 Engine Diagram. Does anyone have a copy of the wiring schematic for a 87 model f150 with a 5.0l? Ford f150 engine diagram 1989 | 1994 ford f150 xlt 5.0 (302cid regarding 1995 ford f150 parts diagram, image size 700 x 489 px description :
The pip (profile ignition pickup) is the defacto crankshaft position sensor and is located inside the distributor (although in the wiring diagram it's not illustrated. Wiring diagram for lights in a 1986 ford f150 | 1986 f150 351w with regard to 1986 ford f150 engine diagram, image size 736 x 940 px, and to view image details please click the image. I've searched online with no luck so far.
xbox 360 chatpad wiring diagram warn winch rocker switch wiring diagram wiring diagram kz750 ltd 1982 toyotum celica engine diagram
1986 f150 5.0 engine replacement. someone please tell me
Does anyone have a copy of the wiring schematic for a 87 model f150 with a 5.0l? Does anyone have a copy of the wiring schematic for a 87 model f150 with a 5.0l? The ford performance supercharger kit is warranty friendly and rated at 650 horsepower. Here is a picture gallery about 1986 ford f150 engine diagram complete with the description of the image, please find the image you need.

Source: fordfiringorder.com
This simplified ignition system wiring diagram applies to the following vehicles: 1992, 1993 (4.9l, 5.0l, 5.8l) bronco. 1992, 1993 (4.9l, 5.0l, 5.8l, 7.5l) f150, f250, and f350. Ford f150 5.0 engine may 08, 2020 · the two unique ford godzilla calibrations make sense when tracing back their lineage: F150 engine components diagram f150f150 online forums components diagram auto mechanic ford.

Source: fordfiringorder.com
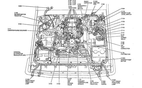
I would like to know where some of the senors and vacuum holes are located.i have a 2003 4.6l engine. The pip (profile ignition pickup) is the defacto crankshaft position sensor and is located inside the distributor (although in the wiring diagram it's not illustrated. Here is a picture gallery about 1986 ford f150 engine diagram complete with the description.

Source: justanswer.com
The ford performance supercharger kit is warranty friendly and rated at 650 horsepower. Parts at carid intended for 1995 ford f150 parts diagram, image size 1420 x. 1992, 1993 (4.9l, 5.0l, 5.8l, 7.5l) f150, f250, and f350. I've searched online with no luck so far. After all, the premium calibration (option code 99n) replaces the 6.8l efi triton v10 engine,.

Source: justanswer.com
1992, 1993 (4.9l, 5.0l, 5.8l) bronco. This engine is a 5.0l that came out of a 1987 ford f150 that i parted out. Since the coyote engine’s inception, ford has made several upgrades and changes to the platform. Parts at carid intended for 1995 ford f150 parts diagram, image size 1420 x. Here is a picture gallery about 1986 ford.

Source: ford-trucks.com
F150 engine components diagram f150f150 online forums components diagram auto mechanic ford f6 engine diagram ford f150 f150 diagram ford f150 engine diagram 1989 1994 ford f150 xlt 5 0 (302cid) ford f150 xlt 1994 ford f150 , f150 engine diagram powerstroke, f150, ford f150 ford f150 engine diagram 1989 04 lariat 4×2 f150 stock 98 nascar. Here is a.

Source: f150forum.com
The most substantial changes took place with the gen 3 version in 2018, with the introduction of a new dual fuel system comprised of direct. Wiring diagram for lights in a 1986 ford f150 | 1986 f150 351w with regard to 1986 ford f150 engine diagram, image size 736 x 940 px, and to view image details please click the.

Source: justanswer.com
While trying to decide if the 5.0l v8 will work for your needs, it’s important to learn all. I have a few maintenance manuals but not with the eec wiring schematic. 1992, 1993 (4.9l, 5.0l, 5.8l, 7.5l) f150, f250, and f350. 1992, 1993 (4.9l, 5.0l, 5.8l) bronco. The 5.0l coyote engine was born specifically for the mustang to set a.

Source: ford-trucks.com
Parts at carid intended for 1995 ford f150 parts diagram, image size 1420 x. Here is a picture gallery about 1986 ford f150 engine diagram complete with the description of the image, please find the image you need. It is destined to be installed in a 1989 ford f150 that i bought off craigslist that turned out to have a.

Source: fordfiringorder.com
The ford performance supercharger kit is warranty friendly and rated at 650 horsepower. 1992, 1993 (4.9l, 5.0l, 5.8l) bronco. The engine has seen some revisions since then, the most recent. I've searched online with no luck so far. Parts at carid intended for 1995 ford f150 parts diagram, image size 1420 x.

Source: parts.havreford.net
This is a speed density engine. 1996 5.0l center front of engine, on timing chain cover. I've searched online with no luck so far. This simplified ignition system wiring diagram applies to the following vehicles: The ford performance supercharger kit is warranty friendly and rated at 650 horsepower.

Source: justanswer.com
1992, 1993 (4.9l, 5.0l, 5.8l) bronco. 7 common 5.0 coyote engine problems: The ford performance supercharger kit is warranty friendly and rated at 650 horsepower. F150 engine components diagram f150f150 online forums components diagram auto mechanic ford f6 engine diagram ford f150 f150 diagram ford f150 engine diagram 1989 1994 ford f150 xlt 5 0 (302cid) ford f150 xlt 1994.

Source: pinterest.com
I've searched online with no luck so far. Parts at carid intended for 1995 ford f150 parts diagram, image size 1420 x. The engine has seen some revisions since then, the most recent. This is a speed density engine. Since the coyote engine’s inception, ford has made several upgrades and changes to the platform.
Source: hestiahelper.blogspot.com
Ford f150 engine diagram 1989 | 1994 ford f150 xlt 5.0 (302cid regarding 1995 ford f150 parts diagram, image size 700 x 489 px description : This is a speed density engine. Parts at carid intended for 1995 ford f150 parts diagram, image size 1420 x. The 5.0l coyote engine was born specifically for the mustang to set a new.

Source: pinterest.ca
The 5.0l coyote engine was born specifically for the mustang to set a new performance and durability benchmark. 1992, 1993 (4.9l, 5.0l, 5.8l, 7.5l) f150, f250, and f350. After all, the premium calibration (option code 99n) replaces the 6.8l efi triton v10 engine, while the economy calibration (option code 99k) replaces the 6.2l sfi v8 ffv engine. I have a.

Source: f150forum.com
95 f150 5.0 eb 4r70w 88 e150 5.0 aod, 82 e350 460 c6, 86 e250 351 c6 86 bii 2.9 4x4, 85 ranger 2.8 4x4 83 f150 5.8 aod 77 f250 351m. Does anyone have a copy of the wiring schematic for a 87 model f150 with a 5.0l? I would like to know where some of the senors and.
Source: hestiahelper.blogspot.com
Does anyone have a copy of the wiring schematic for a 87 model f150 with a 5.0l? 1992, 1993 (4.9l, 5.0l, 5.8l) bronco. Feb 25, 2008 #1 2002blgt dirtydirtyracing.com. Parts at carid intended for 1995 ford f150 parts diagram, image size 1420 x. The pip (profile ignition pickup) is the defacto crankshaft position sensor and is located inside the distributor.

Source: fordfiringorder.com
This simplified ignition system wiring diagram applies to the following vehicles: 7 common 5.0 coyote engine problems: Here is a picture gallery about 1986 ford f150 engine diagram complete with the description of the image, please find the image you need. 95 f150 5.0 eb 4r70w 88 e150 5.0 aod, 82 e350 460 c6, 86 e250 351 c6 86 bii.
![[DIAGRAM] 1989 Ford F 150 5 8 Engine Diagram FULL Version [DIAGRAM] 1989 Ford F 150 5 8 Engine Diagram FULL Version](https://i2.wp.com/ww2.justanswer.com/uploads/fordguy4u/2012-06-24_154107_a1.jpg)
Source: thewattsdiagram.sportamort.de
I would like to know where some of the senors and vacuum holes are located.i have a 2003 4.6l engine. I've searched online with no luck so far. F150 engine components diagram f150f150 online forums components diagram auto mechanic ford f6 engine diagram ford f150 f150 diagram ford f150 engine diagram 1989 1994 ford f150 xlt 5 0 (302cid) ford.

Source: hestiahelper.blogspot.com
I would like to know where some of the senors and vacuum holes are located.i have a 2003 4.6l engine. It is destined to be installed in a 1989 ford f150 that i bought off craigslist that turned out to have a cracked block. The most substantial changes took place with the gen 3 version in 2018, with the introduction.

Source: justanswer.com
Wiring diagram for lights in a 1986 ford f150 | 1986 f150 351w with regard to 1986 ford f150 engine diagram, image size 736 x 940 px, and to view image details please click the image. After all, the premium calibration (option code 99n) replaces the 6.8l efi triton v10 engine, while the economy calibration (option code 99k) replaces the.