Fiero Headlight Wiring Diagram 16+ Images Result
Fiero Headlight Wiring Diagram. The 300zx headlights have two separate lights. Oem headlights to fiero harness the following diagram shows how to connect the fiero wiring harness to the 300zx headlights.
But don't have means of transmitting. Replacing these parts usually fixes the problem.occasionally the problem is caused by damaged or corroded wires, plugs, or grounds. Up to 0.4% cash back buy a 1987 pontiac fiero headlight motor at discount prices.
up with single line wiring diagram chevy truck on trailer connector wiring diagram left hand strat wiring diagram coil split toggle switch wiring diagram
Headlight motors keep blowing fuse Pennock's Fiero Forum
Located under the driver's side dash on the steering. Located under the driver's side dash on the steering. The 300zx he adlights have two separate lights. Dome supervision wiring diagram for [] dome:
Source: wiring121.blogspot.com
Positive (+) either kick panel: Oem headlights to fiero harness the following diagram shows how to connect the fiero wiring harness to the 300zx headlights. Yellow and white [3] headlight switch: Up to 0.4% cash back buy a 1987 pontiac fiero headlight motor at discount prices. Radiator fan, ac, trunk release, door ajar, pulse wiper, cruise, starter, alt, alternator, engine,.

Source: wiring121.blogspot.com
Located under the driver's side dash on the steering. Calgary fiero owners group, the official home of the calgary fiero owners group located in southern alberta, canada online service guide main page this guide is located on several websites, but is always hard to find due to changing locations. Located on the rear firewall in the engine compartment, behind the.

Source: wiring121.blogspot.com
The 300zx headlights have two separate lights. The 300zx he adlights have two separate lights. Lamborghini headlights to fiero harness the following diagram shows how to connect the fiero wiring harness to the 300zx headlights. Calgary fiero owners group, the official home of the calgary fiero owners group located in southern alberta, canada online service guide main page this guide.

Source: wiring121.blogspot.com
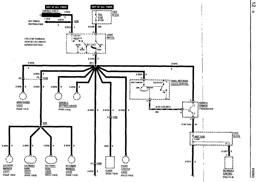
[email protected] posted on may 21, 2009 Relay locations below is a list of the common relays used on the fiero and their location. 1985 fiero wiring diagram book is good and favored currently. The original fiero lights had a si ngle headlight unit with a high and low beam. Located under the driver's side dash on the steering.

Source: fiero.nl
Located under the driver's side dash on the steering. Radiator fan, ac, trunk release, door ajar, pulse wiper, cruise, starter, alt, alternator, engine, ecm The wiring diagrams below will aid in diagnosing these types of problem.(right click and select. Remove it where it connects to the bulkhead near the power brake booster, and disconnect the wires from the windshield washer.

Source: fiero.nl
One of the most time consuming tasks with installing an after market. The stock fiero has two types of ignition systems distributor 4 cyl: Relay locations below is a list of the common relays used on the fiero and their location. The 300zx headlights have two separate lights. Black connector vin r, vin 2 fig.

Source: wiring121.blogspot.com
1984 fiero electrical diagrams keywords: Lamborghini headlights to fiero harness the following diagram shows how to connect the fiero wiring harness to the 300zx headlights. Black connector vin r, vin 2 fig. But don't have means of transmitting. Yellow and white [3] headlight switch:

Source: wiring121.blogspot.com
Delco radio repair, wiring diagrams, security code defeat electric antenna in the fiero factory subwoofers: H4 to 9005 headlight wiring diagram (for non electricians) h4 to 9005 headlight wiring diagram (for non electricians) post reply email this page to someone! Radiator fan, ac, trunk release, door ajar, pulse wiper, cruise, starter, alt, alternator, engine, ecm The wiring diagrams below will.

Source: fiero.nl
Remove it where it connects to the bulkhead near the power brake booster, and disconnect the wires from the windshield washer pump. If you find and 87 or 88 fiero in a junkyard, you can (relatively) easily convert your headlights over to the new system. The 300zx he adlights have two separate lights. This requires changing the entire front wiring.

Source: fiero.nl
1984 fiero electrical diagrams keywords: H4 to 9005 headlight wiring diagram (for non electricians) h4 to 9005 headlight wiring diagram (for non electricians) post reply email this page to someone! The stock fiero has two types of ignition systems distributor 4 cyl: One of the most time consuming tasks with installing an after market. Radiator fan, ac, trunk release, door.

Source: fiero.nl
I have it right in front of me. Le grand rj45 jack wiring diagram ex wiring harnes 12 volt solar panel wiring toshiba tv wiring diagram 50cc atv wiring jeep radio wiring diagram light wiring diagram for 2000 escalade fiat alarm wiring diagram 2001 dodge ram headlight connector wiring diagram pontiac fiero wiring diagram kramer 600st wiring diagram. Replacing these.
Source: wiring121.blogspot.com
But don't have means of transmitting. [email protected] posted on may 21, 2009 Lamborghini headlights to fiero harness the following diagram shows how to connect the fiero wiring harness to the 300zx headlights. Need a wiring diagram for distributor for a 1988 pontiac fiero gt with a 2.8 v6 there are two plugs which are plugged into the distributor one.

Source: fiero.nl
Need a wiring diagram for distributor for a 1988 pontiac fiero gt with a 2.8 v6 there are two plugs which are plugged into the distributor one is a two wire and one is a four wire. The wiring diagrams below will aid in diagnosing these types of problem.(right click and select. Located in front of the left headlamp assembly,.

Source: fiero.nl
More individuals has download 1985 fiero wiring diagram ebook. Le grand rj45 jack wiring diagram ex wiring harnes 12 volt solar panel wiring toshiba tv wiring diagram 50cc atv wiring jeep radio wiring diagram light wiring diagram for 2000 escalade fiat alarm wiring diagram 2001 dodge ram headlight connector wiring diagram pontiac fiero wiring diagram kramer 600st wiring diagram. This.

Source: fiero.nl
Replacing these parts usually fixes the problem.occasionally the problem is caused by damaged or corroded wires, plugs, or grounds. Dome supervision wiring diagram for [] dome: Up to 0.4% cash back buy a 1987 pontiac fiero headlight motor at discount prices. 1984 fiero electrical diagrams keywords: The 300zx headlights have two separate lights.

Source: fiero.nl
Choose top quality brands a1 cardone, diy solutions. The stock fiero has two types of ignition systems distributor 4 cyl: The 300zx he adlights have two separate lights. The original fiero lights had a single headlight unit with a high and low beam. I have it right in front of me.
Source: wiringideas.blogspot.com
This requires changing the entire front wiring harness. 1986 pontiac fiero automotive alarm wire schematic. Radiator fan, ac, trunk release, door ajar, pulse wiper, cruise, starter, alt, alternator, engine, ecm More individuals has download 1985 fiero wiring diagram ebook. The original fiero lights had a si ngle headlight unit with a high and low beam.
Source: wiring121.blogspot.com
The two wire has a pink wire on terminal a and a white wire on terminal b these two wires go to the remote coil black plug the four wire has a black wire with a red trace on terminal a a tan with black. Located under the driver's side dash on the steering. Dome supervision wiring diagram for [].

Source: fiero.nl
H4 to 9005 headlight wiring diagram (for non electricians) h4 to 9005 headlight wiring diagram (for non electricians) post reply email this page to someone! Remove it where it connects to the bulkhead near the power brake booster, and disconnect the wires from the windshield washer pump. Radiator fan, ac, trunk release, door ajar, pulse wiper, cruise, starter, alt, alternator,.

Source: fiero.nl
Wiring diagram for [positive (+)] door unlock: In most cases with a pull down that does not work properly, the problem will be with the motor/gear, reversing switch, or striker sensing switch. One of the most time consuming tasks with installing an after market. The two wire has a pink wire on terminal a and a white wire on terminal.