Ge Range Schematic 14++ Images Result
Ge Range Schematic. Taped to the right or left side of the storage drawer. Honestly, we also have been realized that ge xl44 gas range parts diagram is being one of the most popular topic at this moment.
Range and even tip it over, causing severe personal injury. Put up simply by admin in october, 10 search by ge appliance model number and find the official ge. Caution:items of interest to children should not be stored in cabinets above a range or on the backsplash of a range—children climbing on the range to reach items could be seriously injured.
chevrolet expres 1500 fuse box diagram camper trailer breakaway wiring diagram wiring diagram 2000 chrysler cirru dewalt wiring schematic
GE JBS15F2WH electric range parts Sears PartsDirect
Some window air conditioners and all dehumidifiers, compact refrigerators and small countertop microwaves do not have wiring diagrams available. Please select your desired model below. Honestly, we also have been realized that ge xl44 gas range parts diagram is being one of the most popular topic at this moment. If so, the wiring will be connected directly to a terminal block within the unit.

Source: searspartsdirect.com
Buy ge parts guaranteed to fit your range model. Wiring diagram for a ge wall oven model number jkp13gov1bb. Ge appliances' owner manuals offer use and care guidelines, installation instructions and feature guides. If you cannot locate the wiring diagram on your appliance, you can call the ge appliances answer center to obtain one. Maytag gas range mgr5750adw wiring diagram.

Source: justanswer.com
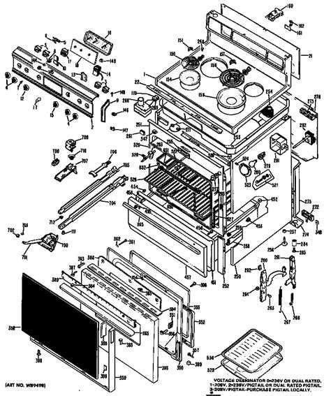
Honestly, we also have been realized that ge xl44 gas range parts diagram is being one of the most popular topic at this moment. Ge xl44 wiring diagram ge xl44 gas range wiring diagram • wiring in ge xl44 gas range parts diagram, image size 1777 x 1333 px, and to view image details please click the image. We also.

Source: searspartsdirect.com
Ge 10t1 rider tv5 [7 mb] ge 12c107 sams 125 7 [7 mb] ge 15cl100 wallace [9 mb] ge 17t10 sams 196 3 [7 mb] ge 21c115 21t14 sams 229 7 [9 mb] ge 27gt530 [3 mb] Range and even tip it over, causing severe personal injury. A wiring diagram is a straightforward visual representation in the physical connections and.

Source: appliantology.org
Some window air conditioners and all dehumidifiers, compact refrigerators and small countertop microwaves do not have wiring diagrams available. Behind the storage drawer on the left or right side. Maytag gas range mgr5750adw wiring diagram. Choose from electric ranges, gas ranges, and dual fuel ranges for your kitchen space. Range and even tip it over, causing severe personal injury.

Source: searspartsdirect.com
Ge top mount refrigerator model number tbx21jabrraa schematic and wiring diagram. So we tried to identify some terrific ge. On the parts & accessories home page, click on search repair parts and then enter your complete model number in the search field.when viewing your model, scroll down towards the bottom of the page and it will say replacement parts by.

Source: searspartsdirect.com
It shows the way the electrical wires are interconnected and may also show where fixtures and components may be connected to the system. Wiring diagram for a ge wall oven model number jkp13gov1bb. Buy ge parts guaranteed to fit your range model. Please select your desired model below. Honestly, we also have been realized that ge xl44 gas range parts.

Source: searspartsdirect.com
So we tried to identify some terrific ge. We have 30 ge diagrams, schematics or service manuals to choose from, all free to download! Caution:items of interest to children should not be stored in cabinets above a range or on the backsplash of a range—children climbing on the range to reach items could be seriously injured. 28 rows general electric.

Source: searspartsdirect.com
Range and even tip it over, causing severe personal injury. Ge appliances' owner manuals offer use and care guidelines, installation instructions and feature guides. Wiring diagram for a ge wall oven model number jkp13gov1bb. Honestly, we also have been realized that ge xl44 gas range parts diagram is being one of the most popular topic at this moment. It shows.

Source: searspartsdirect.com
A wiring diagram is a straightforward visual representation in the physical connections and physical layout of an electrical system or circuit. We also have installation guides, diagrams and manuals to help you along the way! On the parts & accessories home page, click on search repair parts and then enter your complete model number in the search field.when viewing your.
Source: schematicandwiringdiagram.blogspot.com
Wiring diagram for a ge wall oven model number jkp13gov1bb. This is a 27 electric oven but i am sure 30 an. Schematics, diagrams, service and parts information for. So we tried to identify some terrific ge. This particular graphic (ge xl44 parts diagram] solved ge xl44 gas oven fixya how to for ge xl44 gas range parts diagram) above.

Source: searspartsdirect.com
You will need to have your complete model number. Ge top mount refrigerator model number tbx21jabrraa schematic and wiring diagram. Lp conversion instructions are packaged with the wiring diagram or. The terminal block is where the main power cord attaches to the oven circuitry. Ge 10t1 rider tv5 [7 mb] ge 12c107 sams 125 7 [7 mb] ge 15cl100 wallace.

Source: searspartsdirect.com
Honestly, we also have been realized that ge xl44 gas range parts diagram is being one of the most popular topic at this moment. Put up simply by admin in october, 10 search by ge appliance model number and find the official ge. We also have installation guides, diagrams and manuals to help you along the way! With genuine oem.

Source: searspartsdirect.com
On the parts & accessories home page, click on search repair parts and then enter your complete model number in the search field.when viewing your model, scroll down towards the bottom of the page and it will say replacement parts by section / assembly diagram. We also have installation guides, diagrams and manuals to help you along the way! Some.

Source: searspartsdirect.com
Ge appliances' owner manuals offer use and care guidelines, installation instructions and feature guides. Parts town has oem ge appliance parts to tackle any routine maintenance or repairs. Ge xl44 gas range manual, ge xl44 gas range parts diagram, ge xl44 gas range parts list,. On the parts & accessories home page, click on search repair parts and then enter.

Source: wiringdiagrammechanic.blogspot.com
This entry was posted in oven repair, range repair, stove repair, wiring diagrams and schematics on november 3, 2010 by samurai appliance repair man. Please select your desired model below. Maytag gas range mgr5750adw wiring diagram. Schematics, diagrams, service and parts information for general electric double wall oven model jkp38g0j5bg. Ge top mount refrigerator model number tbx21jabrraa schematic and wiring.

Source: searspartsdirect.com
The terminal block is where the main power cord attaches to the oven circuitry. Maytag gas range mgr5750adw wiring diagram. If so, the wiring will be connected directly to a terminal block within the unit. Schematics, diagrams, service and parts information for. We also have installation guides, diagrams and manuals to help you along the way!

Source: searspartsdirect.com
Put up simply by admin in october, 10 search by ge appliance model number and find the official ge. Also find quick spec literature and energy guides. We also have installation guides, diagrams and manuals to help you along the way! Ge appliances' owner manuals offer use and care guidelines, installation instructions and feature guides. Range and even tip it.

Source: searspartsdirect.com
We have 30 ge diagrams, schematics or service manuals to choose from, all free to download! Ge appliances' owner manuals offer use and care guidelines, installation instructions and feature guides. We also have installation guides, diagrams and manuals to help you along the way! Ge 10t1 rider tv5 [7 mb] ge 12c107 sams 125 7 [7 mb] ge 15cl100 wallace.

Source: skippingtheinbetween.blogspot.com
Schematics, diagrams, service and parts information for. This particular graphic (ge xl44 parts diagram] solved ge xl44 gas oven fixya how to for ge xl44 gas range parts diagram) above can be branded along with: Wiring diagram for a ge wall oven model number jkp13gov1bb. If so, the wiring will be connected directly to a terminal block within the unit..

Source: searspartsdirect.com
This entry was posted in oven repair, range repair, stove repair, wiring diagrams and schematics on november 3, 2010 by samurai appliance repair man. A wiring diagram is a straightforward visual representation in the physical connections and physical layout of an electrical system or circuit. It will be just inside the back somewhere. Also find quick spec literature and energy.