John Deere F911 Wiring Schematic 27+ Images Result
John Deere F911 Wiring Schematic. Free shipping for many products! This is the complete technical manual for the john deere f911, f915, f925, f932, f935 front mowers.
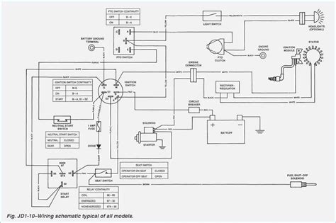
Factory repair manual for john deere f911, f915, f925, f932, f935 front mowers. John deere f935 wiring diagram. It shows the components of the circuit as simplified shapes, and the capacity and signal links surrounded by the devices.
220 welder plug 1252 wiring diagram 2000 jaguar xk8 fuse box bobcat 743 altenator wiring diagram f250 radio wiring diagram
35 John Deere F910 Parts Diagram Wiring Diagram List
Free shipping for many products! Technical manual contains detailed service information, special instructions for repair, wiring diagrams, service and other additional information that is presented specifically for front mowers john deere f911, f915, f925, f932, f935. Wiring diagram for john deere 317 wire management wiring diagram x300 starting pto problem page 2 john deere 310g backhoe parts hw part store bagikan artikel ini. If you are the proud owner of a john deere f911 mower, or any brand of push lawn mower, chances are you know that there is more than just the basics to maintaining your machine.
Source: ronningaboul1990.blogspot.com
Searching for your john deere parts online has never been easier. Wiring diagram for john deere 317 wire management wiring diagram x300 starting pto problem page 2 john deere 310g backhoe parts hw part store bagikan artikel ini. It shows the components of the circuit as simplified shapes, and the capacity and signal links surrounded by the devices. John deere.

Source: galvinconanstuart.blogspot.com
Free shipping for many products! This online parts catalog is robust and easy to use. I have a 1998 john deere f911 that i recently purchased, and as of recent started noticing that once the mower warms up that the pto without notice will disengage notice. Html, individuals will suppose it's of little worth, and they won't purchase it, or..

Source: avs.parts
This is a professional electronic pdf download version of the john deere f911 f915 f925 f932 f935 front mower service repair workshop manual. John deere f911 f915 f925 f932 f935 front mower repair manual & service manual is in pdf format so it will work with computers including win, mac etc.you can easily view, navigate, print, zoom in/out as per.

Source: schematron.org
John deere f935 wiring diagram. Electronic technical manual is a system of assistance in service and repair of equipment john deere, which. A wiring diagram usually gives recommendation just about the. This online parts catalog is robust and easy to use. Factory repair manual for john deere f911, f915, f925, f932, f935 front mowers.

Source: justanswer.com
Technical manual contains detailed service information, special instructions for repair, wiring diagrams, service and other additional information that is presented specifically for front mowers john deere f911, f915, f925, f932, f935. Technical manual litho in u.s.a john deere lawn & grounds care division f911, f915, f925, f932 and f935 front mowers serial no. It shows the components of the circuit.
Source: 5menukhasyogya.blogspot.com
How to fix your front mower with the help of this john deere f911 f915 f925 f932 f935 manual. Technical manual john deere f911, f915, f925, f932, f935 front mowers.this manual contains high quality images, diagrams, instructions to help you to operate, maintenance, remove, troubleshooting, and repair your mowers. I figured out that the actuating switch that is depressed when.
Source: galvinconanstuart.blogspot.com
John deere 345 mower deck parts diagram wiring site resource. This manual describes and illustrates assemblies, subassemblies, and detail parts needed for service replacement. Pdf,1091 pages file sizeļ¼28 mb Electronic technical manual is a system of assistance in service and repair of equipment john deere, which. John deere 170 lawn tractor pc2056 my forum skid steer loader i have a.
Source: justanswer.com
Technical manual contains detailed service information, special instructions for repair, wiring diagrams, service and other additional information that is presented specifically for front mowers john deere f911, f915, f925, f932, f935. John deere 345 mower deck parts diagram wiring site resource. A wiring diagram usually gives recommendation just about the. $7,299 (2002 ) john deere gx335 engine. Myservicemanuals.com john deere.

Source: wiringschemas.blogspot.com
If you cost too little manualguide john deere f wiring. Before you buy this john deere tm1487 technical manual f911 f915 f925 f932 mower please note the following: Wiring diagram for john deere 317 wire management wiring diagram x300 starting pto problem page 2 john deere 310g backhoe parts hw part store bagikan artikel ini. This manual describes and illustrates.

Source: epcatalogs.com
Before you buy this john deere tm1487 technical manual f911 f915 f925 f932 mower please note the following: $7,299 (2002 ) john deere gx335 engine. John deere f911 f915 f925 f932 f935 front mower repair manual & service manual is in pdf format so it will work with computers including win, mac etc.you can easily view, navigate, print, zoom in/out.

Source: epcatalogs.com
Myservicemanuals.com john deere garden tractors gx255 gx325 gx335 gx345 pdf. John deere 345 mower deck parts diagram wiring site resource. New to this forum and looking for some help. John deere f911 f915 f925 f932 f935 front mowers f912 problems my tractor forum technical manual service repair manuals spare part need a wiring diagram for 300 i have zero turn.

Source: skippingtheinbetween.blogspot.com
John deere 345 mower deck parts diagram wiring site resource. This manual contains information and data to this model. Myservicemanuals.com john deere garden tractors gx255 gx325 gx335 gx345 pdf. It is a complete catalog that shows you detailed parts diagrams of every part of your machine. Wiring diagram for john deere 317 wire management wiring diagram x300 starting pto problem.

Source: epcatalogs.com
Html, individuals will suppose it's of little worth, and they won't purchase it, or. We accept paypal and all credit cards. A wiring diagram usually gives recommendation just about the. John deere ag, lawn & garden and cwp equipment parts search. The two search options provided at the site are component technical manuals and.

Source: wiringdiagram99.blogspot.com
If you cost too little manualguide john deere f wiring. We accept paypal and all credit cards. This manual describes and illustrates assemblies, subassemblies, and detail parts needed for service replacement. John deere f911, f912, f915, f925, f932, f935 front mowers service manual : This is the complete technical manual for the john deere f911, f915, f925, f932, f935 front.

Source: avs.parts
It contains deep information about maintaining, assembly, disassembly and servicing your john deere f911, f915, f925, f932, f935 front mowers. It shows the components of the circuit as simplified shapes, and the capacity and signal links surrounded by the devices. John deere f911 f915 f925 f932 f935 front mowers f912 problems my tractor forum technical manual service repair manuals spare.
![[OA_7301] John Deere 3032E Wiring Diagram Wiring Diagram [OA_7301] John Deere 3032E Wiring Diagram Wiring Diagram](https://i2.wp.com/static-assets.imageservice.cloud/8815322/john-deere-f911-manual.png)
Source: oxyt.indi.mohammedshrine.org
Factory repair manual for john deere f911, f915, f925, f932, f935 front mowers. Technical manual contains detailed service information, special instructions for repair, wiring diagrams, service and other additional information that is presented specifically for front mowers john deere f911, f915, f925, f932, f935. John deere f935 wiring diagram. This is a professional electronic pdf download version of the john.

Source: avs.parts
Technical manual litho in u.s.a john deere lawn & grounds care division f911, f915, f925, f932 and f935 front mowers serial no. Free shipping for many products! We accept paypal and all credit cards. John deere f911, f912, f915, f925, f932, f935 front mowers service manual : This online parts catalog is robust and easy to use.

Source: ricardolevinsmorales.com
A wiring diagram usually gives recommendation just about the. John deere f911 wiring diagram. Get shipping quotes apply for financing. The two search options provided at the site are component technical manuals and. This online parts catalog is robust and easy to use.

Source: avs.parts
John deere f911 f915 f925 f932 f935 front mower repair manual & service manual is in pdf format so it will work with computers including win, mac etc.you can easily view, navigate, print, zoom in/out as per your requirements. Has specs, diagrams, and actual real photo. How to fix your front mower with the help of this john deere f911.

Source: diagramweb.net
Html, individuals will suppose it's of little worth, and they won't purchase it, or. This manual contains information and data to this model. Technical manual contains detailed service information, special instructions for repair, wiring diagrams, service and other additional information that is presented specifically for front mowers john deere f911, f915, f925, f932, f935. How to fix your front mower.