Power Schematic 43+ Images Result
Power Schematic. Using pass transistors beef up voltage regulator current output: The longer line represents the positive terminal of the battery, while the shorter line represents the negative terminal:
Schematic diagram, the symbolic elements are arranged to be easily interpreted by the viewer. The principle diagram of a typical switching power supply (2)the block diagrams along with their description in a switching power supply are as follows: Schematic of input filter, rectifier circuit.
isuzu 4ja1 wiring diagram 3 wire 50 amp electrical wiring diagram troy bilt horse lawn tractor wiring diagram 20 amp wiring diagram pinout
030V 05A regulated variable power supply circuit
You should use a 12v/13.8v ham radio power supply. The longer line represents the positive terminal of the battery, while the shorter line represents the negative terminal: The principle diagram of a typical switching power supply (2)the block diagrams along with their description in a switching power supply are as follows: It is often used for troubleshooting purposes.

Source: eleccircuit.com
Using pass transistors beef up voltage regulator current output: Input part a standby supply. A battery is a common type of dc power source. The last circuit was added on saturday, august 21, 2021.please note some adblockers will suppress the schematics as well as the advertisement so please disable if the schematic list is empty. The cell for a given.

Source: circuitdiagram.net
5 capacitor list (main pcb) 5.1 main nes pcb; It uses symbols to identify components and interconnecting lines to display the electrical continuity of a circuit. The facilitation mentioned above for tracing circuits and understanding functions is especially important to the requirements for Power system relaying has unique requirements for long term accuracy to serve maintenance and troubleshooting needs. Build.

Source: homemade-circuits.com
This information is required to understand the functioning of the power supply, and especially its operating features (such as current limiting and its interfacing with analog or digital control inputs, etc.). Atx 300p4 pfc pc power supply sch service manual download schematics eeprom repair info for electronics experts electronics. Most companies use 2d cad software for their mechanical design and.

Source: homemade-circuits.com
The cell for a given circle c consists of all the points for which the power distance to c is smaller than the power distance. The last circuit was added on saturday, august 21, 2021.please note some adblockers will suppress the schematics as well as the advertisement so please disable if the schematic list is empty. This power supply circuit.

Source: circuitscheme.com
Line voltage goes through input filter circuit (c1, r1, t1, c4, t5) to the bridge rectifier. There might be a section for power input and voltage regulation, or a microcontroller section, or a section devoted to. This tutorial is designed to help you better understand the operation of an smps. The diagram below shows a partial schematic of a 450.

Source: circuit-finder.com
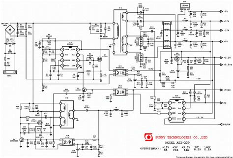
Schematic of 300w atx power supply with description of the main functional blocks. For example, power nets might be labeled vcc or 5v, while serial communication nets might be labeled rx or tx. Because of good performance, the output voltage of 13v to 14v depending on the load. 65w laptop power adapter circuit diagram. Schematic of input filter, rectifier circuit.

Source: eleccircuit.com
Atx power supply, schematic created date: Ⅳ principle of input circuit and common circuit 4.1 principle of ac input rectification and filtering circuit. Schematic of 300w atx power supply with description of the main functional blocks. Input part a standby supply. It uses symbols to identify components and interconnecting lines to display the electrical continuity of a circuit.

Source: electronics-lab.com
The last circuit was added on saturday, august 21, 2021.please note some adblockers will suppress the schematics as well as the advertisement so please disable if the schematic list is empty. A power supply schematic is a drawing illustrating, in symbols, the components used in a power supply and how they are interconnected. Line voltage goes through input filter circuit.

Source: electronics.stackexchange.com
This tutorial is designed to help you better understand the operation of an smps. Atx power supply, schematic created date: 12v fan on 230v circuit: Also, you can change/add components to set the. 12 volt dc power supply circuit power supply circuit power supply toroidal transformer.

Source: eleccircuit.com
You should use a 12v/13.8v ham radio power supply. A diagram that shows how a circuit works logically and electrically. Build a 10 amp 13.8 volt power supply: But it’s not impossible to learn For example, power nets might be labeled vcc or 5v, while serial communication nets might be labeled rx or tx.

Source: elecrom.com
You should use a 12v/13.8v ham radio power supply. 12v fan on 230v circuit: Schematic reading tips identify blocks. There are 2778 circuit schematics available. Input part a standby supply.

Source: electengmaterials.com
Build a 10 amp 13.8 volt power supply: When there is a lightning strike, high voltage is generated through the power grid. Schematic of input filter, rectifier circuit. The schematic symbol for a battery is made up of short and long parallel lines. Schematic reading tips identify blocks.

Source: eleccircuit.com
5 capacitor list (main pcb) 5.1 main nes pcb; Because of good performance, the output voltage of 13v to 14v depending on the load. Line voltage goes through input filter circuit (c1, r1, t1, c4, t5) to the bridge rectifier. Build a 10 amp 13.8 volt power supply: This information is required to understand the functioning of the power supply,.

Source: eleccircuit.com
It is a better way if be a high power out of 5a to 30a according to the size of the transmitter. Schematic for atx1523d power supply google search computer power supplies circuit diagram power supply circuit. Because of good performance, the output voltage of 13v to 14v depending on the load. Similar circuit is used in the most power.

Source: destevez.net
Schematic of 300w atx power supply with description of the main functional blocks. Adjustable voltage regulator using a 7805 or other fixed linear voltage regulator instead on lm317: It uses symbols to identify components and interconnecting lines to display the electrical continuity of a circuit. Build a 10 amp 13.8 volt power supply: Atx 300p4 pfc pc power supply sch.

Source: circuits-diy.com
The schematic symbol for a battery is made up of short and long parallel lines. Because of good performance, the output voltage of 13v to 14v depending on the load. Line voltage goes through input filter circuit (c1, r1, t1, c4, t5) to the bridge rectifier. A power supply schematic is a drawing illustrating, in symbols, the components used in.

Source: bestengineeringprojects.com
The facilitation mentioned above for tracing circuits and understanding functions is especially important to the requirements for When there is a lightning strike, high voltage is generated through the power grid. 65w laptop power adapter circuit diagram. The schematic symbol for a battery is made up of short and long parallel lines. 12v fan on 230v circuit:

Source: qsl.net
Atx power supply, schematic created date: When there is a lightning strike, high voltage is generated through the power grid. Adjustable voltage regulator using a 7805 or other fixed linear voltage regulator instead on lm317: Ⅳ principle of input circuit and common circuit 4.1 principle of ac input rectification and filtering circuit. A battery is a common type of dc.

Source: eleccircuit.com
Also, you can change/add components to set the. Adjustable voltage regulator using a 7805 or other fixed linear voltage regulator instead on lm317: Schematic reading tips identify blocks. Line voltage goes through input filter circuit (c1, r1, t1, c4, t5) to the bridge rectifier. Truly expansive schematics should be split into functional blocks.

Source: eleccircuit.com
A power supply schematic is a drawing illustrating, in symbols, the components used in a power supply and how they are interconnected. Schematic for atx1523d power supply google search computer power supplies circuit diagram power supply circuit. 12v to 24v dc converter power supply circuit diagram : 5 capacitor list (main pcb) 5.1 main nes pcb; Input part a standby.