Stereo Wire Schematic 23+ Images Result
Stereo Wire Schematic. But with the basics and practice, it should be an easy peasy exercise. Most car stereos will require the following connections:.
Do not cut factory wire harness : Find great deals on ebay for wiring diagram malibu. The above car audio wiring diagrams and written guides will help you achieve much success.
jaguar x type radio wiring diagram g l s500 wiring diagram onan wiring harnes color code velvac wiring diagram
Jvc Car Stereo Wiring Diagram Wiring Diagram
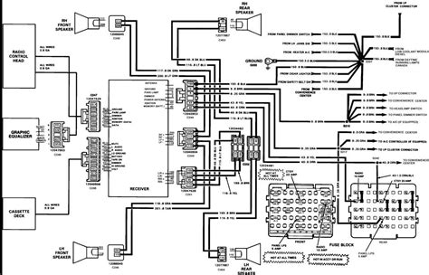
Car radio wire colors car audio wiring free radio wiring diagrams. Installing an aftermarket stereo into your ford truck is easy when you have our comprehensive f150 stereo wiring schematic. 1 trick that we 2 to printing a similar wiring plan off twice. The picture below shows the wiring color codes for a cea aftermarket radio harness that is included with most radios.

Source: 2020cadillac.com
The above car audio wiring diagrams and written guides will help you achieve much success. Car stereo wire diagram and wiring harness identification charts. Find great deals on ebay for wiring diagram malibu. Factory wire colors codes are not universal. Use the repair manual for your car or locate a wiring diagram for your car online to aid in your.

Source: 2carpros.com
1 trick that we 2 to printing a similar wiring plan off twice. But with the basics and practice, it should be an easy peasy exercise. Car audio wiring can be simple to complex thing. Perfect for the do it yourself stereo installer or even the professional car audio install, this truck wiring diagram can save you time and money..

Source: ricardolevinsmorales.com
The second two deal more with wiring diagrams for car radio. Do not cut factory wire harness : A guide car stereo and audio equipment installation, removal and hook up. Car radio wire colors car audio wiring free radio wiring diagrams. Bmw car radio stereo audio wiring diagram autoradio connector wire installation schematic schema esquema de conexiones stecker konektor connecteur.

Source: gmundcars.com
A guide car stereo and audio equipment installation, removal and hook up. These diagrams and charts do not include wire color codes. Car and truck audio wiring specialists love to use our guide to install any. Hi, im in need of a radio wiring shematic for a 2006 gmc sierra 1500 sle 4x4. Premium color wiring diagrams get premium wiring.

Source: wiringforums.com
The second two deal more with wiring diagrams for car radio. The above car audio wiring diagrams and written guides will help you achieve much success. Below is a brief mention of the basic wiring colors used for car stereo wiring by ford. Most car stereos will require the following connections:. Do not cut factory wire harness :

Source: 2020cadillac.com
Car stereo wire diagram and wiring harness identification charts. Choose make of car and click go! Car and truck audio wiring specialists love to use our guide to install any. Free chrysler radio wiring diagram wiring diagram is a simplified within acceptable limits pictorial representation of an electrical circuit it shows the components of the circuit as simplified shapes and.

Source: despairrepair.com
Home » vehicle wiring diagram » car stereo wiring color codes. Perfect for the do it yourself stereo installer or even the professional car audio install, this truck wiring diagram can save you time and money. Choose make of car and click go! Below i have put together some of the best free sources for car stereo wiring diagrams and.

Source: wholefoodsonabudget.com
1 trick that we 2 to printing a similar wiring plan off twice. Find great deals on ebay for wiring diagram malibu. I looked at many diagrams and none have matched up fully with the wiring in my truck. The second two deal more with wiring diagrams for car radio. A guide car stereo and audio equipment installation, removal and.
Source: 2020cadillac.com
To properly read a electrical wiring diagram, one has to find out how typically the components in the program operate. 1 trick that we 2 to printing a similar wiring plan off twice. For example , when a module is usually powered up also it sends out the signal of fifty percent the voltage and the technician. 2006 350z bose.

Source: annawiringdiagram.com
Silverado stereo constant 12v+ wire: The wiring for the 2018 and 2019 silverado can vary, depending on the level of your trim. Alpine car stereo wiring diagram. Car stereo wire diagram and wiring harness identification charts. Car radio wire colors car audio wiring free radio wiring diagrams.

Source: ricardolevinsmorales.com
Hi, im in need of a radio wiring shematic for a 2006 gmc sierra 1500 sle 4x4. 2006 350z bose full wiring diagram my350z com nissan and 370z forum discussion 03 2003 factory car stereo installation harness oem radio install wire stock help color code guide for audio autoradio connector schematic schema esquema de conexiones stecker konr connecteur cable shema.

Source: wholefoodsonabudget.com
Find great deals on ebay for wiring diagram malibu. The picture below shows the wiring color codes for a cea aftermarket radio harness that is included with most radios. The first resource is best for finding the power wires for your car. I looked at many diagrams and none have matched up fully with the wiring in my truck. Choose.

Source: annawiringdiagram.com
Most car stereos will require the following connections:. Free chrysler radio wiring diagram wiring diagram is a simplified within acceptable limits pictorial representation of an electrical circuit it shows the components of the circuit as simplified shapes and the knack and signal friends together with the devices. Car stereo wire diagram and wiring harness identification charts. To properly read a.

Source: usbwiringdiagram.com
Alpine car stereo wiring diagram. Choose make of car and click go! 2006 350z bose full wiring diagram my350z com nissan and 370z forum discussion 03 2003 factory car stereo installation harness oem radio install wire stock help color code guide for audio autoradio connector schematic schema esquema de conexiones stecker konr connecteur cable shema visual system section av pdf..

Source: ricardolevinsmorales.com
I would encourage you to keep trying out new combinations and stuff to see what works best for you. Soldering is a bit more difficult, your using a soldering iron that gets extremely hot to melt led free solder onto your wiring. Premium color wiring diagrams get premium wiring diagrams that are available for your vehicle that are accessible online.

Source: 2020cadillac.com
Why purchase the aftermarket wire harness? Chevrolet car radio stereo audio wiring diagram autoradio connector wire installation schematic schema esquema de conexiones stecker konektor connecteur cable shema car stereo harness wire speaker pinout connectors power how to install chevrolet malibu stereo wiring connector 2. Silverado stereo constant 12v+ wire: The wiring for the 2018 and 2019 silverado can vary, depending.

Source: 2020cadillac.com
The picture below shows the wiring color codes for a cea aftermarket radio harness that is included with most radios. 49 rows philips car radio stereo audio wiring diagram autoradio connector wire. Car and truck audio wiring specialists love to use our guide to install any. Request a hyundai car radio stereo wiring diagram whether your an expert hyundai mobile.

Source: tops-stars.com
Installation is easier, no guess work with wire color codes and a headache saver! Car radio wire diagram stereo wiring diagram gm radio wiring diagram. To properly read a electrical wiring diagram, one has to find out how typically the components in the program operate. 2006 350z bose full wiring diagram my350z com nissan and 370z forum discussion 03 2003.

Source: ricardolevinsmorales.com
To properly read a electrical wiring diagram, one has to find out how typically the components in the program operate. I would encourage you to keep trying out new combinations and stuff to see what works best for you. Alpine car stereo wiring diagram from xpmissions.com. Request a hyundai car radio stereo wiring diagram whether your an expert hyundai mobile.

Source: 2020cadillac.com
Wire diagrams, cadillac, chevrolet, corvette, geo, gmc, oldsmobile, pontiac and saturn. Car radio wire diagram stereo wiring diagram gm radio wiring diagram. But with the basics and practice, it should be an easy peasy exercise. Alpine car stereo wiring diagram from xpmissions.com. These diagrams and charts do not include wire color codes.