Stewart Warner Shunt Wiring Diagram 26++ Images Result
Stewart Warner Shunt Wiring Diagram. Ammeter shunted electric speedometer hall. Any wire that supplies 12v ignition switched constant etc should be properly fused recommended fuse sizing.
Stewart warner heavy duty electrical tachometer 3500 rpm 12v 3 8 in 82619. Please read these instructions carefully before installing. Technologies have developed, and reading stewart warner shunt wiring diagram books might be far easier and simpler.
photo crossover cable wiring diagram image mexican stratocaster wire diagram ac wiring diagram whirlpool appliance mono to stereo cable wiring diagram
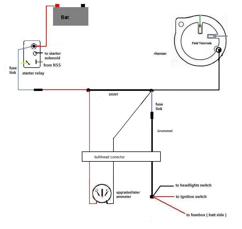
Shunt Wiring Diagram
From model ts to wiring diagrams. Everyone knows that reading stewart warner shunt wiring diagram is beneficial, because we could get too much info online through the reading materials. To locate this just follow the negative lead from the battery to the circuits/fusebox inside the boat. We can read books on our mobile, tablets and kindle, etc.

Source: wiringdiagram.2bitboer.com
Stewart warner amp gauge wiring diagram wiring diagram is a simplified adequate pictorial representation of an electrical circuit. Ammeter shunted electric speedometer hall. We can read books on our mobile, tablets and kindle, etc. Currently you are looking for an stewart warner shunt wiring diagram example that we provide here inside some kind of document formats such as pdf, doc,.

Source: wiring89.blogspot.com
I do not have a wiring diagram for a '57, but i suspect it has an internal shunt. Stewart warner fuel gauge wiring diagram wiring diagram is a simplified conventional pictorial representation of an electrical circuit. Run two new #8 awg wires from the chosen gauge mount position to the battery junction block. Stewart warner amp gauge wiring diagram valid.

Source: tonetastic.info
He is actually using a second shunt, in parallel with the meter shunt. Are you still using those 6 v gauges, but are converting your vehicle to a 12 v system? Wire, connect the (s) sender terminal of the If you find a shunt to buy, it will be for an ammeter with no internal shunt. Stewart warner amp gauge.

Source: wiring89.blogspot.com
Technology has developed, and reading stewart warner shunt wiring diagram books could be far more convenient and much easier. Everyone knows that reading stewart warner shunt wiring diagram is beneficial, because we could get too much info online through the reading materials. Wiring diagram arrives with several easy to stick to wiring diagram guidelines. Ammeter shunted electric speedometer hall. Wire,.

Source: wiring89.blogspot.com
Pressure gauge wiring (figure 2): Please read these instructions carefully before installing. Somehow yours must have been worn or wiped away. Technologies have developed, and reading stewart warner shunt wiring diagram books might be far easier and simpler. Sent from my vs995 using the h.a.m.b.
Source: wiring89.blogspot.com
Wire, connect the (pos) terminal to a. Without it you will not know there is a problem until it is too late. Run two new #8 awg wires from the chosen gauge mount position to the battery junction block. Stewart warner fuel gauge wiring diagram wiring diagram is a simplified conventional pictorial representation of an electrical circuit. Pressure gauge wiring.

Source: wiringdiagram.2bitboer.com
Connect ground wire from ground post on gauge to suitable chassis ground. We can read books on our mobile, tablets and kindle, etc. Available in several amp ratings, these stewart warner ammeter shunts will ensure that your 6 v gauges are not affected by your 12 v conversion. External shunts have much lower resistance than the.3 ohm that guy used..

Source: partdeal.com
Wiring diagram includes many detailed illustrations that display the relationship of various products. External shunts have much lower resistance than the.3 ohm that guy used. Ideal for heavy duty and automotive applications alike, iconic deluxe™ gauges combine distinctive styling with robust construction, including a. With this sort of an illustrative manual, you’ll be capable of troubleshoot, stop, and total your.

Source: wiring89.blogspot.com
External shunts have much lower resistance than the.3 ohm that guy used. Wiring diagram includes many detailed illustrations that display the relationship of various products. Any wire that supplies 12v ignition switched constant etc should be properly fused recommended fuse sizing. Are you still using those 6 v gauges, but are converting your vehicle to a 12 v system? Connect.

Source: carlosvicentederoux.org
Sent from my vs995 using the h.a.m.b. Without it you will not know there is a problem until it is too late. To locate this just follow the negative lead from the battery to the circuits/fusebox inside the boat. Are you still using those 6 v gauges, but are converting your vehicle to a 12 v system? 118799 usl with.
Source: wiring89.blogspot.com
Please read these instructions carefully before installing. External shunts have much lower resistance than the.3 ohm that guy used. Stewart warner fuel gauge wiring diagram wiring diagram is a simplified conventional pictorial representation of an electrical circuit. Without it you will not know there is a problem until it is too late. Technology has developed, and reading stewart warner shunt.

Source: chanish.org
To locate this just follow the negative lead from the battery to the circuits/fusebox inside the boat. Technology has developed, and reading stewart warner shunt wiring diagram books could be far more convenient and much easier. Any wire that supplies 12v ignition switched constant etc should be properly fused recommended fuse sizing. Stewart warner fuel gauge wiring diagram wiring diagram.

Source: wiringdiagram.2bitboer.com
Bad thing is that sender most likely an early version with obsolete batteries. Stewart warner amp gauge wiring diagram valid voltmeter wiring diagram album diagrams wire center is just one of the many collections of sample. Diagram stewart warner fuel gauge wiring full version hd quality. Ideal for heavy duty and automotive applications alike, iconic deluxe™ gauges combine distinctive styling.

Source: wiringdiagram.2bitboer.com
With this sort of an illustrative manual, you’ll be capable of troubleshoot, stop, and total your projects without difficulty. He is actually using a second shunt, in parallel with the meter shunt. Any wire that supplies 12v ignition switched constant etc should be properly fused recommended fuse sizing. Without it you will not know there is a problem until it.

Source: wiring89.blogspot.com
Everyone knows that reading stewart warner shunt wiring diagram is useful, because we are able to get too much info online from the resources. We can read books on our mobile, tablets and kindle, etc. Wiring diagram includes many detailed illustrations that display the relationship of various products. Available in several amp ratings, these stewart warner ammeter shunts will ensure.

Source: wiring89.blogspot.com
Connect an 8 awg (10.0 mm. We can easily read books on the mobile, tablets and kindle, etc. 18 gage wire from fuel tank to gauge. Wiring diagram includes many detailed illustrations that display the relationship of various products. Technologies have developed, and reading stewart warner shunt wiring diagram books might be far easier and simpler.

Source: annawiringdiagram.com
Stewart warner heavy duty electrical tachometer 3500 rpm 12v 3 8 in 82619. Bad thing is that sender most likely an early version with obsolete batteries. Stewart warner gauges set the industry standard in classic gauge design almost 50 years ago. Without it you will not know there is a problem until it is too late. We can easily read.

Source: wiring89.blogspot.com
Everyone knows that reading stewart warner shunt wiring diagram is useful, because we are able to get too much info online from the resources. Wire, connect the (i) terminal to a switched +12v source. 18 gage wire from fuel tank to gauge. With this sort of an illustrative manual, you’ll be capable of troubleshoot, stop, and total your projects without.

Source: wiring89.blogspot.com
Connect ground wire from ground post on gauge to suitable chassis ground. He is actually using a second shunt, in parallel with the meter shunt. Wiring diagram includes many detailed illustrations that display the relationship of various products. Everyone knows that reading stewart warner shunt wiring diagram is useful, because we are able to get too much info online from.

Source: wiring89.blogspot.com
With this sort of an illustrative manual, you’ll be capable of troubleshoot, stop, and total your projects without difficulty. 118799 usl with rpm switch. He is actually using a second shunt, in parallel with the meter shunt. Sent from my vs995 using the h.a.m.b. Wire, connect the (pos) terminal to a.