Warn Contactor Wiring Diagram 10++ Images Result
Warn Contactor Wiring Diagram. You can also find other images like wiring diagram, parts diagram, replacement parts, electrical diagram, repair manuals, engine diagram, engine scheme, wiring harness, fuse box, vacuum diagram. Badland winches parts wiring diagram for all models.
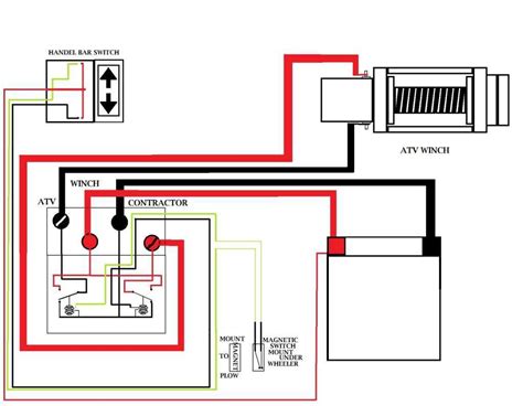
This will trigger your winch out. Confirm contactor is a warn 8 post style contactor and subject to recall as identified on Dc182b 537t albright 48v molock dc contactor.
f350 alternator wiring diagram 1998 ez go workhorse cart wiring diagram auto fuel filter wiring diagram for free download rg series
Warn 2500 Winch Wiring Diagram
Warn winch wiring diagrams ~ here you are at our site, this is images about warn winch wiring diagrams posted by benson fannie in diagrams category on. Dc182b 537t albright 48v molock dc contactor. Warn 64849 hand held winch remote controller with rubber grip for atv and side x side winches , gray. Untitled replacement winch contactor kfi atv how do i bypass solenoids ih8mud forum warn wiring diagrams nc4x4 recalls eight post kits triumilynn solenoid 12v winches rebuilding parts information for the untitled untitled replacement winch contactor kfi atv mounts and accessories how do i bypass solenoids ih8mud forum warn winch wiring diagrams […]

Source: schematron.org
See wiring diagram provided with contactor for switch wiring details. You can also find other images like wiring diagram, parts diagram, replacement parts, electrical diagram, repair manuals, engine diagram, engine scheme, wiring harness, fuse box, vacuum diagram. Wiring diagram warn winch atv. Warn 64849 hand held winch remote controller with rubber grip for atv and side x side winches ,.

Source: tankbig.com
Sw80 58 albright 12v solenoid contactor with enclosed cover. Warn [attach] 5 wire inline new colors [attach] 5 wire inline [attach]. Confirm atv/utv is equipped with warn atv winch with a capacity of 2,500 to 3,500 lbs. This kit is compatible with warn’s line of atv winches. Refer to the installation and specification guide, supplied in the winch kit, for.

Source: dentistmitcham.com
Wiring diagram also offers beneficial suggestions for tasks that might require some extra tools. This guide even includes suggestions for added supplies that you might require as a way to end your assignments. See wiring diagram provided with contactor for switch wiring details. Polaris pro hd 4500 winch kit. Removal of seat or some vehicle components may be required to.

Source: worldvisionsummerfest.com
Warn [attach] 5 wire inline new colors [attach] 5 wire inline [attach]. Warn winch m8000 wiring diagram. If required, trace wires from winch motor to contactor. Waterwich 12v 250a winch solenoid relay contactor with 6 protecting caps universal for atv utv 2000 5000lbs. Atv warn winch a2000 wiring upgrade diagram rc 5775 warner for contactor a2500 announce recall of kits.

Source: forum.expeditionportal.com
Exact positioning may vary depending on the atv/utv make. Choose items to buy together. Warn winch wiring diagrams nc4x4. Polaris pro hd 4500 winch kit. Custom winch wiring ck5 network.

Source: wiringall.com
Badland winches parts wiring diagram for all models. Read installation and operating instructions thoroughly. Atv warn winch a2000 wiring upgrade diagram rc 5775 warner for contactor a2500 announce recall of kits 4 solenoid parts 28396 full 1700 motor polaris 4500 switch yamaha grizzly xt30 schematic ek 4998 free 8000 saturn ion er 3000 hd auto xs kit industries 9 5.

Source: wiringall.com
This will trigger your winch in. However, it does not imply link between the cables. Designed to meet sae j706 standards.the Warn winch m8000 wiring diagram. See wiring diagram provided with contactor for switch wiring details.

Source: abangkubiskut.blogspot.com
This will trigger your winch out. Warn winch wiring diagrams nc4x4. New 6 wire inline control pack wiring diagram winchserviceparts com. Replacement contactor will also work with the following winches: Dc182b 537t albright 48v molock dc contactor.

Source: wiringdiagram.2bitboer.com
Headlight wiring harness article written by dr. Winch solenoid service part 62871 warn industries. Untitled replacement winch contactor kfi atv how do i bypass solenoids ih8mud forum warn wiring diagrams nc4x4 recalls eight post kits triumilynn solenoid 12v winches rebuilding parts information for the untitled untitled replacement winch contactor kfi atv mounts and accessories how do i bypass solenoids ih8mud.
Source: tacomaworld.com
Wiring diagram also offers beneficial suggestions for tasks that might require some extra tools. According to earlier the traces at a warn winch wiring diagram signifies wires. Warn winch wiring diagrams nc4x4. According to earlier, the traces at a warn winch wiring diagram signifies wires. Removal of seat or some vehicle components may be required to locate contactor.

Source: wholefoodsonabudget.com
Badland winches parts wiring diagram for all models. Confirm atv/utv is equipped with warn atv winch with a capacity of 2,500 to 3,500 lbs. Warn winch wiring diagrams nc4x4. This will trigger your winch in. Replacement contactor will also work with the following winches:

Source: dentistmitcham.com
According to earlier the traces at a warn winch wiring diagram signifies wires. Headlight wiring harness article written by dr. The wiring and connections may be a. Warn [attach] 5 wire inline new colors [attach] 5 wire inline [attach]. If required, trace wires from winch motor to contactor.
Source: pirate4x4.com
Sw80 58 albright 12v solenoid contactor with enclosed cover. Confirm atv/utv is equipped with warn atv winch with a capacity of 2,500 to 3,500 lbs. Removal of seat or some vehicle components may be required to locate contactor. Read installation and operating instructions thoroughly. Refer to the installation and specification guide, supplied in the winch kit, for all wiring schematics.

Source: xiiaocutie1995.blogspot.com
Brown wire (terminal 4) and the +12v (terminal 5) connect and white wire (terminal 1) and the ground (terminal 2) connect. Injunction of two wires is generally indicated by black dot at the intersection of 2 lines. Atv warn winch a2000 wiring upgrade diagram rc 5775 warner for contactor a2500 announce recall of kits 4 solenoid parts 28396 full 1700.

Source: pinterest.com
Warn winch wiring diagrams nc4x4. Requires correct rocker switch to operate contactor. According to earlier, the traces at a warn winch wiring diagram signifies wires. Rocker switch requires switch with three wires, two wires to contactor and one to keyed power. Choose items to buy together.

Source: forum.ih8mud.com
Custom winch wiring ck5 network. It shows the components of the circuit as simplified shapes, and the faculty and signal connections surrounded by the devices. Designed to meet sae j706 standards.the Atv warn winch a2000 wiring upgrade diagram rc 5775 warner for contactor a2500 announce recall of kits 4 solenoid parts 28396 full 1700 motor polaris 4500 switch yamaha grizzly.

Source: diagramweb.net
You can also find other images like wiring diagram, parts diagram, replacement parts, electrical diagram, repair manuals, engine diagram, engine scheme, wiring harness, fuse box, vacuum diagram. Warn winch contactor wiring diagram wiring diagram is a simplified standard pictorial representation of an electrical circuit. This will trigger your winch in. The wiring and connections may be a. Polaris pro hd.

Source: wholefoodsonabudget.com
Warn winch wiring diagrams nc4x4. I have the dial switch, with. Exact positioning may vary depending on the atv/utv make. This will trigger your winch out. Injunction of two wires is generally indicated by black dot at the intersection of 2 lines.

Source: help.dnaoffroad.com.au
Exact positioning may vary depending on the atv/utv make. Replacement contactor will also work with the following winches: According to earlier the traces at a warn winch wiring diagram signifies wires. Dc182b 537t albright 48v molock dc contactor. Removal of seat or some vehicle components may be required to locate contactor.

Source: ricardolevinsmorales.com
Oct 4, good info maybe this will start a winch tech thread. See wiring diagram provided with contactor for switch wiring details. Warn 64849 hand held winch remote controller with rubber grip for atv and side x side winches , gray. Requires correct rocker switch to operate contactor. A wiring diagram is a straightforward visual representation with the physical connections.