Wire Schematic Isuzu Ftr 15++ Images Result
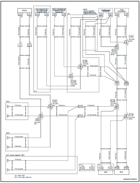
Wire Schematic Isuzu Ftr. Isuzu ftr with 5.2l (4hk1) diesel engine the 2020 model currently contains only service information. Engine wiring84_pmgr isuzu ftr wiring diagram.jpg:
Download free isuzu ftr wiring diagrams seeing is understanding. Wiring diagrams will be added at a later date. And subsequent sale into slavery.
86 ford f 150 wiring scag turf tiger ignition switch wiring diagram deltum table saw motor wiring diagram kium optima headlight wiring diagram
2005 Isuzu Npr Wiring Diagram Inm 955 Isuzu Ascender
Wiring diagrams are available for 2018 and 2019 models. 1 ~ wire is gray 3 ~ wire is yellow dca 45 to dca 150 a ~ wire is labeled ~ a Isuzu ftr with 5.2l (4hk1) diesel engine the 2020 model currently contains only service information. Believe there is a bad wire.
Source: schematicandwiringdiagram.blogspot.com
Engine wiring84_pmgr isuzu ftr wiring diagram.jpg: Explanations of the latest research, tests, treatments, and surgical procedures are all clear and free of medical jargon. 3102 isuzu ftr wiring diagram.gif: Wiring diagrams will be added at a later date. Wiring diagrams are available for 2018 and 2019 models.

Source: schematron.org
Isuzu ftr with 5.2l (4hk1) diesel engine the 2020 model currently contains only service information. Isuzu ftr with 5.2l (4hk1) diesel engine the 2020 model currently contains only service information. Kenworth cab control module location 2018/2019/2020: Map_sensor_wire_diagram%202 isuzu ftr wiring diagram.jpg: Have opened case with isuzu they are saying its a transmission issue.
Source: wiring.hpricorpcom.com
45 isuzu truck workshop manuals free Isuzu ftr with 5.2l (4hk1) diesel engine the 2020 model currently contains only service information. 3102 isuzu ftr wiring diagram.gif: Isuzu npr def problems 2018/2019/2020: The authors also point out possible gaps in the current research within their respective countries and to make recommendations for future studies.

Source: stylesgurus.com
Totally free isuzu wiring diagram! U ~ wire is red and is connected to terminal # 14 on the voltage selector switch. Getting code p0500 vehicle speed sensor. 3102 isuzu ftr wiring diagram.gif: Covers all aspects of vehicle repair and maintenance, a complete guide for owners to repair their trucks in full detail, mechanically, body wise and electrical wiring diagrams.

Source: wiringdiagram.2bitboer.com
The first visual guide to marine diesel systems on recreational boats. Getting code p0500 vehicle speed sensor. Isuzu pickup 4×4 efi fuse box wiring diagram.gif: Wiring diagrams will be added at a later date. Wiring diagrams will be added at a later date.

Source: pinterest.com
U ~ wire is red and is connected to terminal # 14 on the voltage selector switch. Isuzu npr electrical wiring diagram | wiringdiagram.org from pinterest.com.mx. Northup, a black man who was born free in new york, details his kidnapping in washington, d.c. Isuzu ftr with 5.2l (4hk1) diesel engine the 2020 model currently contains only service information. What state.

Source: wiring89.blogspot.com
General info, maintenance & lubrication heating & ac system frame, cab & sheet metal steering, suspension, front axle, alignment, wheels & tires rear axle & propeller shaft brakes engine, including fuel system, fuel injection, cooling & engine electrical. Download free isuzu ftr wiring diagrams seeing is understanding. File type pdf isuzu ftr wiring diagrams seeing is understanding. Engine wiring84_pmgr isuzu.

Source: isuzutruckpartsdirect.com
Wiring diagrams will be added at a later date. General info, maintenance & lubrication heating & ac system frame, cab & sheet metal steering, suspension, front axle, alignment, wheels & tires rear axle & propeller shaft brakes engine, including fuel system, fuel injection, cooling & engine electrical. Northup, a black man who was born free in new york, details his.
Source: wiringdiagram-blog.blogspot.com
Oldsmobile v8 engine diagram 88 isuzu wiring diagram 1991 pickup 98 full 2500 alternator for 1995 pup 2004 engine hid 5 pin dmax service manual pdf diagrams schematic pick up d max rodeo tfr tfs radio 36 trucks manuals free w203 1988 2011 fuse 115 hp johnson outboard start tail lights 2005. The first visual guide to marine diesel systems.
Source: carsdiagram.blogspot.com
The first visual guide to marine diesel systems on recreational boats. The isuzu diesel engine is installed on the products of hitachi , airman, new holland and other popular brands. Isuzu ftr with 5.2l (4hk1) diesel engine the 2020 model currently contains only service information. Map_sensor_wire_diagram%202 isuzu ftr wiring diagram.jpg: Wiring diagrams will be added at a later date.

Source: wiringschemas41.blogspot.com
Believe there is a bad wire. Service manual contains detailed service information, special instructions for repair and troubleshoot, diagrams and pictures for isuzu commercial truck fsr, ftr, fvr equipped with 6 hk1 engine. Isuzu ftr with 5.2l (4hk1) diesel engine the 2020 model currently contains only service information. Isuzu ftr with 5.2l (4hk1) diesel engine the 2020 model currently contains.

Source: wiringforums.com
Oldsmobile v8 engine diagram 88 isuzu wiring diagram 1991 pickup 98 full 2500 alternator for 1995 pup 2004 engine hid 5 pin dmax service manual pdf diagrams schematic pick up d max rodeo tfr tfs radio 36 trucks manuals free w203 1988 2011 fuse 115 hp johnson outboard start tail lights 2005. Wiring diagrams are available for 2018 and 2019.

Source: schematicandwiringdiagram.blogspot.com
Isuzu ftr with 5.2l (4hk1) diesel engine the 2020 model currently contains only service information. What state is this in? Isuzu ftr with 5.2l (4hk1) diesel engine the 2020 model currently contains only service information. As routed, it can contact the suspension's leaf spring And how old is the car?
Source: promotionvacuumvac.blogspot.com
Wiring diagrams will be added at a later date. Kenworth cab control module location 2018/2019/2020: Isuzu npr electrical wiring diagram | wiringdiagram.org from pinterest.com.mx. Getting code p0500 vehicle speed sensor. This connects the rheostat (vr) to the avr.

Source: wiring.hpricorpcom.com
Isuzu ftr with 5.2l (4hk1) diesel engine the 2020 model currently contains only service information. Northup, a black man who was born free in new york, details his kidnapping in washington, d.c. 45 isuzu truck workshop manuals free download pdf Wiring diagrams will be added at a later date. Isuzu npr def problems 2018/2019/2020:
Source: intertherm-wiring-diagram.blogspot.com
Explanations of the latest research, tests, treatments, and surgical procedures are all clear and free of medical jargon. Wiring diagrams are available for 2018 and 2019 models. Wiring diagrams are available for 2018 and 2019 models. File type pdf isuzu ftr wiring diagrams seeing is understanding. This service manual provides information on the diagnosis, service procedures, adjustments, and specifications for.

Source: tonetastic.info
Isuzu ftr with 5.2l (4hk1) diesel engine the 2020 model currently contains only service information. Oldsmobile v8 engine diagram 88 isuzu wiring diagram 1991 pickup 98 full 2500 alternator for 1995 pup 2004 engine hid 5 pin dmax service manual pdf diagrams schematic pick up d max rodeo tfr tfs radio 36 trucks manuals free w203 1988 2011 fuse 115.

Source: padnag.marquekabbaz.com
Isuzu ftr with 5.2l (4hk1) diesel engine the 2020 model currently contains only service information. This connects the rheostat (vr) to the avr. Wiring diagrams are available for 2018 and 2019 models. 45 isuzu truck workshop manuals free download pdf Wiring diagrams will be added at a later date.

Source: wiring05.blogspot.com
Oldsmobile v8 engine diagram 88 isuzu wiring diagram 1991 pickup 98 full 2500 alternator for 1995 pup 2004 engine hid 5 pin dmax service manual pdf diagrams schematic pick up d max rodeo tfr tfs radio 36 trucks manuals free w203 1988 2011 fuse 115 hp johnson outboard start tail lights 2005. Have opened case with isuzu they are saying.
Source: schematicandwiringdiagram.blogspot.com
45 isuzu truck workshop manuals free download pdf Wiring diagrams will be added at a later date. 1 ~ wire is gray 3 ~ wire is yellow dca 45 to dca 150 a ~ wire is labeled ~ a The first visual guide to marine diesel systems on recreational boats. Kenworth cab control module location 2018/2019/2020: