Yaskawa V7 Wiring Diagram 26+ Images Result
Yaskawa V7 Wiring Diagram. The optimum balance of energy input, product output, maintenance risk, and long life is reached with yaskawa. The remote operator option kits uux000442 (rated for nema 4x) or uux000443 (rated for nema 1) for the v7 drives and uux00441 for the j7 drives are used to extend the digital operator up to 3 meters from the drive.
As easy to use as a contactor. Yaskawa varispeed g7 instruction manual yaskawa manual no. Otherwise, an electric shock or fire can occur.
receptacle wiring diagram example volvo car engine schematic 1986 blazer headlight wiring diagram 2008 nissan sentra cvt transmission diagram wiring schematic
Yaskawa F7 Wiring Diagram Vfd Troubleshooting 101 With
† the equipment may start unexpectedly upon application of power. The l1000a drive series is a dedicated drive for elevator applications suitable for both modernization projects and new installations. Expand your product knowledge using our vast collection of elearning modules and videos. The v7 drive is a legacy product and is no longer promoted in the americas.

Source: wiringschemas.blogspot.com
Yaskawa electric corporation general precautions Welcome to ahmad waqas automation desk ,viewers today you will learn about yaskawa vfd a1000 control wiring deatil.we have complete training courses of all p. In this manual, definitions are classified Yaskawa manufactures component parts that can be used in a wide variety of industrial applications. The optimum balance of energy input, product output, maintenance.

Source: wiring06.blogspot.com
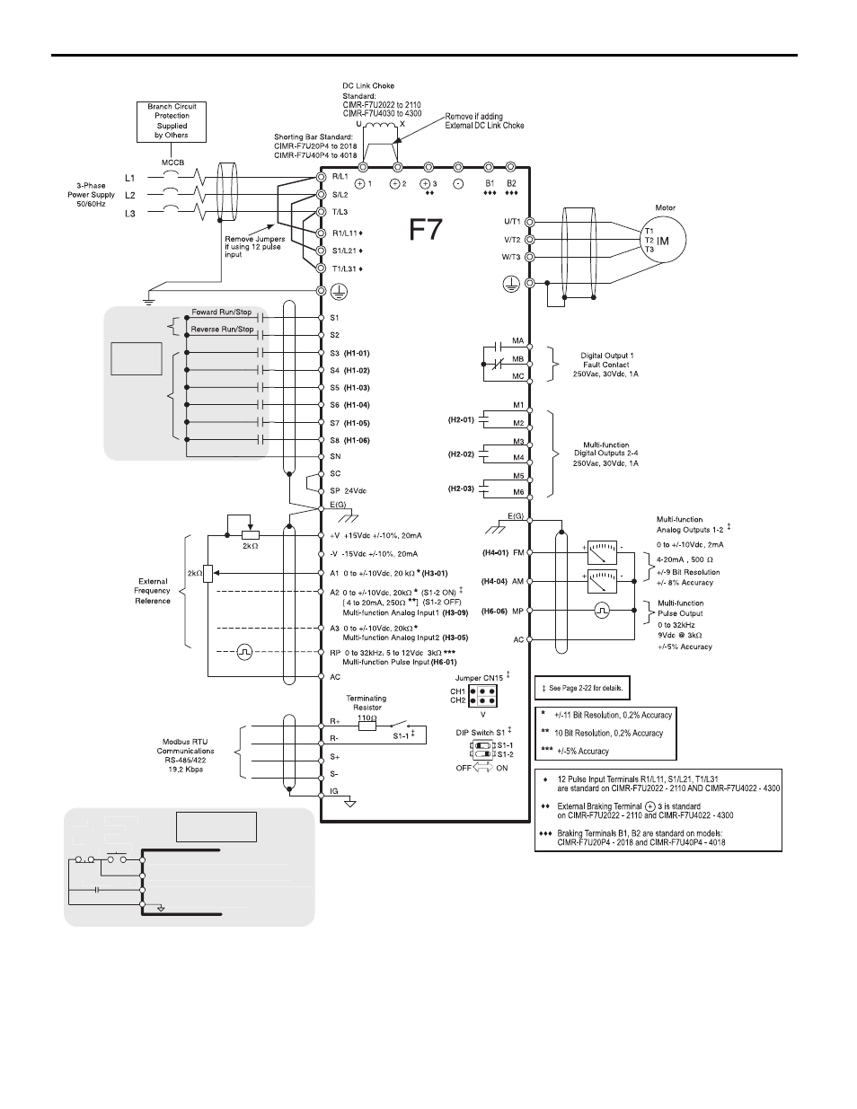
Diagram shows teminals of the basic drive, to allow customer designer to add wiring for specific application • do not connect or disconnect wiring while the power is on. An installed base of over 1,000,000 elevator drives installed and operational. As easy as using a contactor. The v7 / configured package provided a v7 in a nema 1 or nema.

Source: wiringdiagrams2.blogspot.com
The l1000a drive series is a dedicated drive for elevator applications suitable for both modernization projects and new installations. Yaskawa manufactures component parts that can be used in a wide variety of industrial applications. All manuals and support files are available on the cd that came with the v7 drive and are also available for download at yaskawa.com. • wiring.
Source: wiring06.blogspot.com
The v7 / configured package provided a v7 in a nema 1 or nema type12 enclosure, with space for several commonly used options, such as reactors, input filters, circuit breakers, etc. Communication or signal wiring must cross power wiring, it must cross at a right angle. All manuals and support files are available on the cd that came with the.

Source: diy-speedsters.blogspot.com
The v1000 provides a world of power in the palm of your hand! For details on installation and operation of the v7 drive, refer to the v7 and v74x drive user manual. The remote operator option kits uux000442 (rated for nema 4x) or uux000443 (rated for nema 1) for the v7 drives and uux00441 for the j7 drives are used.

Source: manualsdir.com
Diagram shows teminals of the basic drive, to allow customer designer to add wiring for specific application Otherwise, an electric shock or fire can occur. The v7 drive is a legacy product and is no longer promoted in the americas. Read this instruction manual thoroughly before operation. Yaskawa’s varispeed v7 is a small and simple inverter;

Source: wiringschemas.blogspot.com
Yaskawa accepts no responsibility for the way its products are incorporated into the final system design. Download the latest drivers and software updates to optimize your system. Yaskawa varispeed f7 instruction manual yaskawa manual no. Drawing shows pc to drive interface cable for drivewizard software. Warnings ii † some drawings in this manual may be shown with protective covers or.

Source: wiring06.blogspot.com
For details on installation and operation of the v7 drive, refer to the v7 and v74x drive user manual. • do not connect or disconnect wiring while the power is on. Yaskawa manufactures component parts that can be used in a wide variety of industrial. Yaskawa manufactures component parts that can be used in a wide variety of industrial applications..

Source: bloglists06.blogspot.com
The v7 drive is a legacy product and is no longer promoted in the americas. The l1000a drive series is a dedicated drive for elevator applications suitable for both modernization projects and new installations. In this manual, definitions are classified For details on installation and operation of the v7 drive, refer to the v7 and v74x drive user manual. Yaskawa’s.

Source: diagramweb.net
Welcome to ahmad waqas automation desk ,viewers today you will learn about yaskawa vfd a1000 control wiring deatil.we have complete training courses of all p. Wiring diagram for v7 and v74x : • do not connect or disconnect wiring, or perform signal checks while the power supply is turned on. Clear all personnel from the. All manuals and support files.

Source: wiring10.blogspot.com
As easy to use as a contactor. The drivewizard® iqrise support tool is a windows based pc program designed to make commissioning and troubleshooting of yaskawa drives as simple as possible. The selection and application of yaskawa products remain the responsibility of the equipment designer or end user. • wiring should be performed only by qualified personnel. All manuals and.

Source: sevda-rengi.blogspot.com
Yaskawa varispeed g7 instruction manual yaskawa manual no. The selection and application of yaskawa products remain the responsibility of the equipment designer or end user. This diagram is available in pdf and dwg format. Find the 2d, 3d or solid model drawings for your product. For details on installation and operation of the v7 drive, refer to the v7 and.
Source: wiringschemas.blogspot.com
This instruction manual describes installation, maintenance, inspection, troubleshooting, and specifications of the varispeed v7. Towards the top (labeled “1”) controls the terminating resistor. Yaskawa’s varispeed v7 is a small and simple inverter; These must be replaced before operation. The v7 / configured package provided a v7 in a nema 1 or nema type12 enclosure, with space for several commonly used.

Source: wiringdiagrams3.blogspot.com
The v7 / configured package provided a v7 in a nema 1 or nema type12 enclosure, with space for several commonly used options, such as reactors, input filters, circuit breakers, etc. The selection and application of yaskawa products remain the responsibility of the equipment designer or end user. Yaskawa manufactures component parts that can be used in a wide variety.

Source: wiringdiagram95.blogspot.com
Otherwise, an electric shock or fire can occur. Drawing shows pc to drive interface cable for drivewizard software. Gpd315/v7 modbus rtu technical manual tm 4325 page ii. Welcome to ahmad waqas automation desk ,viewers today you will learn about yaskawa vfd a1000 control wiring deatil.we have complete training courses of all p. The l1000a drive series is a dedicated drive.

Source: bloglists06.blogspot.com
Gpd315/v7 modbus rtu technical manual tm 4325 page ii. Yaskawa varispeed g7 instruction manual yaskawa manual no. Yaskawa manufactures component parts that can be used in a wide variety of industrial. In this manual, definitions are classified The drivewizard® iqrise support tool is a windows based pc program designed to make commissioning and troubleshooting of yaskawa drives as simple as.

Source: wiringdiagrams2.blogspot.com
The v7 / configured package provided a v7 in a nema 1 or nema type12 enclosure, with space for several commonly used options, such as reactors, input filters, circuit breakers, etc. The optimum balance of energy input, product output, maintenance risk, and long life is reached with yaskawa. • wiring must be performed by an authorized person qualified in electrical.

Source: wiring10.blogspot.com
• the diagrams in this manual may be indicated without covers or safety shields to show details. Read this instruction manual thoroughly before operation. • wiring should be performed only by qualified personnel. • do not connect or disconnect wiring while the power is on. Download the latest drivers and software updates to optimize your system.

Source: diy-speedsters.blogspot.com
The v7 / configured package provided a v7 in a nema 1 or nema type12 enclosure, with space for several commonly used options, such as reactors, input filters, circuit breakers, etc. Communication or signal wiring must cross power wiring, it must cross at a right angle. These must be replaced before operation. Otherwise, an electric shock or fire can occur..

Source: wiringdiagram95.blogspot.com
This instruction manual describes installation, maintenance, inspection, troubleshooting, and specifications of the varispeed v7. Yaskawa manufactures component parts that can be used in a wide variety of industrial applications. • do not connect or disconnect wiring, or perform signal checks while the power supply is turned on. V7 and v74x drive user manual document reference tm.v7.01 The v1000 provides a.